P0307-CYLINDER 7 MISFIRE





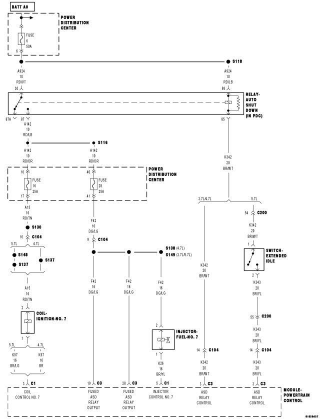
For a complete wiring diagram Refer to Section 8W.


  • When Monitored:

    Any time the engine is running, and the adaptive numerator has been successfully updated.

  • Set Condition:

    The threshold to set the fault is application specific; it is tied to the level of misfire that will cause emissions to increase to 1.5 times the standard or in some cases 1%. It is always a two trip fault above the calibrated RPM. It takes 1 soft fail to set a malfunction and two trips to set the MIL. Three good trips to turn off the MIL.


Possible Causes
 
(F42), (A15) ASD RELAY OUTPUT CIRCUIT
 
(K26) INJECTOR CONTROL NO.7 CIRCUIT
 
(K97) COIL CONTROL NO.7 CIRCUIT
 
SPARK PLUG
 
IGNITION COIL
 
FUEL PUMP INLET STRAINER PLUGGED
 
RESTRICTED FUEL SUPPLY LINE
 
FUEL PUMP MODULE
 
FUEL PRESSURE LEAK DOWN
 
FUEL INJECTOR
 
ENGINE MECHANICAL
 
PCM
 


Always perform the Pre-Diagnostic Troubleshooting procedure before proceeding. (Refer to 9 - ENGINE - DIAGNOSIS AND TESTING).



Diagnostic Test

1.CYLINDER MISFIRE CONDITION ACTIVE




Is there a misfire present at this time?

Yes
  • Go To 2


No

2.VISUAL INSPECTION

NOTE: Anything that affects the speed of the crankshaft can cause a misfire DTC.

NOTE: When a Misfire is detected for a particular cylinder, the PCM will shut down that cylinder's Injector Control circuit.













Were any of the above conditions present?

Yes


No
  • Go To 3

3.(F42), (A15) ASD RELAY OUTPUT CIRCUIT












Does the test light illuminate brightly?

Yes
  • Go To 4


No

4.IGNITION SYSTEM OPERATION

WARNING: When the engine is operating, do not stand in direct line with the fan. Do not put your hands near the pulleys, belts, or fan. Do not wear loose clothing. Failure to follow these instructions can result in personal injury or death.









Is good spark present?

Yes
  • Go To 5


No
  • Go To 14

    NOTE: Connect the Fuel Injector harness connector before continuing.


5.SPARK PLUG









NOTE: Lightly tap the bottom of the spark plug on a solid surface. The electrode in the spark plug should not move.



Were any of the above conditions present?

Yes


No
  • Go To 6

6.FUEL PRESSURE CHECK

WARNING: The fuel system is under a constant pressure (even with the engine off). Before testing or servicing any fuel system hose, fitting or line, the fuel system pressure must be released. Failure to follow these instructions can result in personal injury or death.

WARNING: When the engine is operating, do not stand in direct line with the fan. Do not put your hands near the pulleys, belts, or fan. Do not wear loose clothing. Failure to follow these instructions can result in personal injury or death.




NOTE: Fuel pressure specification is 407 kPa +/- 34 kPa (59 psi +/- 5 psi).



Choose a conclusion that best matches your fuel pressure reading.

Within Specification
  • Go To 7


Below Specification


Above Specification

7.FUEL PRESSURE LEAK DOWN

NOTE: Before continuing visually and physically inspect the fuel delivery system for external leaks or damage. Repair/replace as necessary.

WARNING: The fuel system is under a constant pressure (even with the engine off). Before testing or servicing any fuel system hose, fitting or line, the fuel system pressure must be released. Failure to follow these instructions can result in personal injury or death.







NOTE: Fuel specification is 407 kPa +/- 34 kPa (59 psi +/- 5 psi).




NOTE: The pressure should not fall below 241 kPa (35 psi).



Does the pressure fall below the listed specification?

Yes


No
  • Go To 8

8.FUEL INJECTOR OPERATION

WARNING: The fuel system is under a constant pressure (even with the engine off). Before testing or servicing any fuel system hose, fitting or line, the fuel system pressure must be released. Failure to follow these instructions can result in personal injury or death.

CAUTION: After each Fuel Injector actuation, start the engine to clean the cylinder of fuel. Failure to do so could cause engine damage.








Does the fuel pressure gauge indicate a drop in fuel pressure?

Yes
  • Go To 9


No
  • Go To 10

    NOTE: Turn the ignition off, remove the Fuel Pressure gauge, and connect the fuel lines before continuing.


9.ENGINE MECHANICAL














Are there any engine mechanical problems?

Yes


No

10.FUEL INJECTOR




NOTE: When a Misfire is detected for a particular cylinder, the PCM will shut down that cylinder's Injector Control circuit.






Does the Noid light blink/flicker during the actuation?

Yes


No

11.(K26) INJECTOR CONTROL NO.7 CIRCUIT





CAUTION: Do not probe the PCM harness connectors. Probing the PCM harness connectors will damage the PCM terminals resulting in poor terminal to pin connection. Install Miller Special Tool #8815 to perform diagnosis.




Was a problem found with the (K26) Injector Control No.7 circuit?

Yes


No

12.FUEL SUPPLY LINE RESTRICTED

WARNING: The fuel system is under a constant pressure (even with the engine off). Before testing or servicing any fuel system hose, fitting or line, the fuel system pressure must be released. Failure to follow these instructions can result in personal injury or death.







NOTE: Fuel pressure specification is 407 kPa +/- 34 kPa (59 psi +/- 5 psi).



Is the fuel pressure within specification?

Yes


No

13.FUEL PUMP INLET STRAINER

WARNING: The fuel system is under a constant pressure (even with the engine off). Before testing or servicing any fuel system hose, fitting or line, the fuel system pressure must be released. Failure to follow these instructions can result in personal injury or death.





Is the Fuel Inlet Strainer plugged?

Yes


No
  • Before continuing, check the Fuel Pump Module harness connector terminals for corrosion, damage, or terminal push out. Make sure the ground circuit is functional. Repair as necessary. Replace the Fuel Pump Module.
  • Perform the POWERTRAIN VERIFICATION TEST. (Refer to 9 - ENGINE - STANDARD PROCEDURE)

14.IGNITION COIL


WARNING: When the engine is operating, do not stand in direct line with the fan. Do not put your hands near the pulleys, belts, or fan. Do not wear loose clothing. Failure to follow these instructions can result in personal injury or death.






NOTE: The primary resistance of the 4.7L Ignition coil is 0.6 to 0.9 of an ohm at 25° C (77° F).


NOTE: 5.7L Primary Ignition Coil resistance is 0.558 to 0.682 of an ohm at 25° C (77° F).



Does the test light brightly blink/flicker?

Yes


No

15.(K97) COIL CONTROL NO.7 CIRCUIT





CAUTION: Do not probe the PCM harness connectors. Probing the PCM harness connectors will damage the PCM terminals resulting in poor terminal to pin connection. Install Miller Special Tool #8815 to perform diagnosis.




Was a problem found with the (K97) Coil Control No.7 circuit?

Yes


No

16.PCM

NOTE: Before continuing, check the PCM harness connector terminals for corrosion, damage, or terminal push out. Repair as necessary.




Were there any problems found?

Yes


No