72–SHORT TOO COMPLEX (MTC)





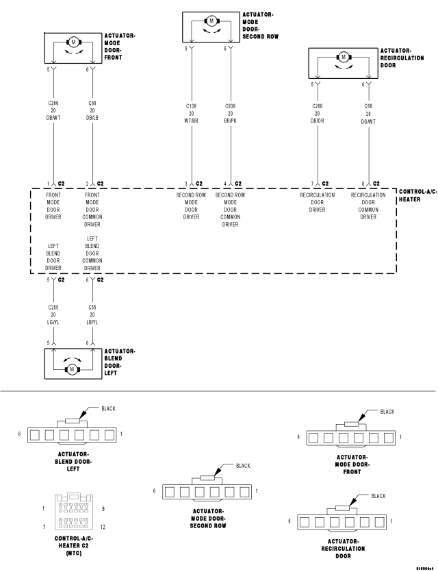
For a complete wiring diagram Refer to Section 8W.

Theory of Operation


NOTE: This DTC will display as active if the ignition is not cycled after running the Actuator Circuit Test / Door Calibration Function. Otherwise, it will display as stored until cleared.


  • When Monitored:

    When running the Actuator Circuit Test / Door Calibration Function.

  • Set Condition:

    If the A/C Heater Control detects more than three door driver circuits shorted in the same direction (e.g. four door driver circuits all shorted to ground) or if two or more door driver circuits are shorted with at least one door driver circuit shorted to voltage and one door driver circuit shorted to ground.


Possible Causes
 
MORE THAN THREE DOOR DRIVER CIRCUITS SHORTED TO VOLTAGE
 
MORE THAN THREE DOOR DRIVER CIRCUITS SHORTED TO GROUND
 
TWO OR MORE DOOR DRIVER CIRCUITS SHORTED WITH AT LEAST ONE SHORTED TO IGNITION AND ONE SHORTED TO GROUND
 
FRONT MODE DOOR ACTUATOR
 
SECOND ROW MODE DOOR ACTUATOR
 
LEFT BLEND DOOR ACTUATOR
 
RECIRCULATION DOOR ACTUATOR
 
A/C HEATER CONTROL
 




Diagnostic Test

1.CHECK THE (C266) FRONT MODE DOOR DRIVER CIRCUIT, (C66) FRONT MODE DOOR COMMON DRIVER CIRCUIT, (C139) SECOND ROW MODE DOOR DRIVER CIRCUIT, (C939) SECOND ROW MODE DOOR COMMON DRIVER CIRCUIT, (C255) LEFT BLEND DOOR DRIVER CIRCUIT, (C55) LEFT BLEND DOOR COMMON DRIVER CIRCUIT, (C268) RECIRCULATION DOOR DRIVER CIRCUIT, & (C68) RECIRCULATION DOOR COMMON DRIVER CIRCUIT FOR A SHORT TO VOLTAGE








Is the voltage above 0.2 volts on any of the circuits?

Yes


No
  • Go To2

2.CHECK THE (C266) FRONT MODE DOOR DRIVER CIRCUIT, (C66) FRONT MODE DOOR COMMON DRIVER CIRCUIT, (C139) SECOND ROW MODE DOOR DRIVER CIRCUIT, (C939) SECOND ROW MODE DOOR COMMON DRIVER CIRCUIT, (C255) LEFT BLEND DOOR DRIVER CIRCUIT, (C55) LEFT BLEND DOOR COMMON DRIVER CIRCUIT, (C268) RECIRCULATION DOOR DRIVER CIRCUIT, & (C68) RECIRCULATION DOOR COMMON DRIVER CIRCUIT FOR A SHORT TO GROUND






Is the resistance below 10k ohms on any of the circuits?

Yes


No
  • Go To3

3.CHECK THE (C266) FRONT MODE DOOR DRIVER CIRCUIT FOR A SHORT TO THE (C139) SECOND ROW MODE DOOR DRIVER CIRCUIT, (C939) SECOND ROW MODE DOOR COMMON DRIVER CIRCUIT, (C255) LEFT BLEND DOOR DRIVER CIRCUIT, (C55) LEFT BLEND DOOR COMMON DRIVER CIRCUIT, (C268) RECIRCULATION DOOR DRIVER CIRCUIT, & THE (C68) RECIRCULATION DOOR COMMON DRIVER CIRCUIT





Is the resistance below 10k ohms on any of the circuits?

Yes


No
  • Go To4

4.CHECK THE (C66) FRONT MODE DOOR COMMON DRIVER CIRCUIT FOR A SHORT TO THE (C139) SECOND ROW MODE DOOR DRIVER CIRCUIT, (C939) SECOND ROW MODE DOOR COMMON DRIVER CIRCUIT, (C255) LEFT BLEND DOOR DRIVER CIRCUIT, (C55) LEFT BLEND DOOR COMMON DRIVER CIRCUIT, (C268) RECIRCULATION DOOR DRIVER CIRCUIT, & THE (C68) RECIRCULATION DOOR COMMON DRIVER CIRCUIT





Is the resistance below 10k ohms on any of the circuits?

Yes


No
  • Go To5

5.CHECK THE (C139) SECOND ROW MODE DOOR DRIVER CIRCUIT FOR A SHORT TO THE (C255) LEFT BLEND DOOR DRIVER CIRCUIT, (C55) LEFT BLEND DOOR COMMON DRIVER CIRCUIT, (C268) RECIRCULATION DOOR DRIVER CIRCUIT, & THE (C68) RECIRCULATION DOOR COMMON DRIVER CIRCUIT





Is the resistance below 10k ohms on any of the circuits?

Yes


No
  • Go To6

6.CHECK THE (C939) SECOND ROW MODE DOOR COMMON DRIVER CIRCUIT FOR A SHORT TO THE (C255) LEFT BLEND DOOR DRIVER CIRCUIT, (C55) LEFT BLEND DOOR COMMON DRIVER CIRCUIT, (C268) RECIRCULATION DOOR DRIVER CIRCUIT, & THE (C68) RECIRCULATION DOOR COMMON DRIVER CIRCUIT





Is the resistance below 10k ohms on any of the circuits?

Yes


No
  • Go To7

7.CHECK THE (C255) LEFT BLEND DOOR DRIVER CIRCUIT FOR A SHORT TO THE (C268) RECIRCULATION DOOR DRIVER CIRCUIT & THE (C68) RECIRCULATION DOOR COMMON DRIVER CIRCUIT





Is the resistance below 10k ohms on any of the circuits?

Yes


No
  • Go To8

8.CHECK THE (C55) LEFT BLEND DOOR COMMON DRIVER CIRCUIT FOR A SHORT TO THE (C268) RECIRCULATION DOOR DRIVER CIRCUIT & THE (C68) RECIRCULATION DOOR COMMON DRIVER CIRCUIT





Is the resistance below 10k ohms on any of the circuits?

Yes


No
  • Go To9

9.CHECK THE FRONT MODE DOOR ACTUATOR CIRCUIT RESISTANCE





Is the resistance below 30.0 ohms?

Yes


No

10.CHECK THE (C66) FRONT MODE DOOR COMMON DRIVER CIRCUIT FOR A SHORT TO THE (C266) FRONT MODE DOOR DRIVER CIRCUIT






Is the resistance below 10k ohms?

Yes


No

11.CHECK THE SECOND ROW MODE DOOR ACTUATOR CIRCUIT RESISTANCE





Is the resistance below 30.0 ohms?

Yes


No

12.CHECK THE (C939) SECOND ROW MODE DOOR COMMON DRIVER CIRCUIT FOR A SHORT TO THE (C139) SECOND ROW MODE DOOR DRIVER CIRCUIT






Is the resistance below 10k ohms?

Yes


No

13.CHECK THE LEFT BLEND DOOR ACTUATOR CIRCUIT RESISTANCE





Is the resistance below 30.0 ohms?

Yes


No

14.CHECK THE (C55) LEFT BLEND DOOR COMMON DRIVER CIRCUIT FOR A SHORT TO THE (C255) LEFT BLEND DOOR DRIVER CIRCUIT






Is the resistance below 10k ohms?

Yes


No

15.CHECK THE RECIRCULATION DOOR ACTUATOR CIRCUIT RESISTANCE





Is the resistance below 30.0 ohms?

Yes


No

16.CHECK THE (C68) RECIRCULATION DOOR COMMON DRIVER CIRCUIT FOR A SHORT TO THE (C268) RECIRCULATION DOOR DRIVER CIRCUIT






Is the resistance below 10k ohms?

Yes


No

17.VERIFY THAT THE FAULT IS STILL PRESENT



  • Turn the blower control on.
  • Press the A/C mode switch down, turn the blower control to off, wait until both LEDs illuminate (approximately 5 seconds) and then release the A/C mode switch.
  • When the A/C status indicator begins displaying DTCs, set the Mode switch to the floor position, simultaneously press the A/C mode switch and the EBL mode switch down until both LEDs start flashing (approximately 5 seconds) and then release the mode switches. Stored DTCs will clear from memory in approximately two seconds.


  • Turn the blower control off.
  • Press and hold the EBL mode switch down and then turn the blower control on. Continue to hold the EBL mode switch down until the EBL status indicator begins flashing. Then, release the EBL mode switch. While the test / function is running, the EBL status indicator will flash once per second. If the test / function passes, the EBL status indicator will stop flashing. If the test / function fails, the A/C and EBL status indicators will flash alternately. Allow the test / function to run to completion before proceeding.

  • Turn the blower control on.
  • Press the A/C mode switch down, turn the blower control to off, wait until both LEDs illuminate (approximately 5 seconds) and then release the A/C mode switch.

NOTE: The A/C status indicator displays active DTCs when the EBL status indicator is not illuminated and stored DTCs when the EBL status indicator is illuminated.




Does the A/C status indicator display DTC 72?

Yes


No
  • Using the wiring diagram as a guide, inspect the wiring and connectors for conditions causing an intermittent short that set the original fault. Repair as necessary. Then, if present, diagnose and repair all other DTCs. Refer to the Table of Contents in this Section for a complete list of HVAC related symptoms.
  • Perform BODY VERIFICATION TEST – VER 1. (Refer to 8 - ELECTRICAL/ELECTRONIC CONTROL MODULES - STANDARD PROCEDURE).