U0193-LOST COMMUNICATION WITH TRAFFIC INFORMATION RECEIVER MODULE





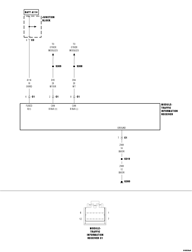
For a complete wiring diagram Refer to Section 8W.


  • When Monitored:

    With the ignition on.

    Battery voltage between 10 and 16 volts.

    IOD fuse installed.

    FCM is configured correctly.

  • Set Condition:

    Bus messages not received from the Traffic Information Receiver Module (TIRM) for approximately 2 to 5 seconds.


Possible Causes
 
CAN B BUS CIRCUITS OPEN
 
DTCS RELATED TO BATTERY VOLTAGE, IGNITION, OR VIN MESSAGES
 
FCM NOT CONFIGURED CORRECTLY
 
(A114) FUSED B(+) CIRCUIT OPEN OR SHORTED
 
(Z909) GROUND CIRCUIT OPEN
 
TRAFFIC INFORMATION RECEIVER MODULE (TIRM)
 
FRONT CONTROL MODULE
 




Diagnostic Test

1.VERIFY DTC IS ACTIVE

NOTE: Ensure the IOD fuse is installed and battery voltage is between 10 and 16 volts before proceeding.




Is this DTC active?

Yes
  • Go To 2


No
  • Refer to the Stored Lost Communication test procedure. Refer to the table of contents in this section.

2.CHECK FOR ANY OF THE FOLLOWING ACTIVE DTCS


NOTE: Check for FCM configuration, CAN B or C hardware electrical, VIN Missing/Mismatch, battery or ignition related DTCs.



Does the scan tool display any active DTCs to the conditions listed above?

Yes
  • Diagnose and repair the DTC. Refer to the Index for a complete list of the symptoms.


No
  • Go To 3

3.VERIFY THAT THE TIRM IS ACTIVE ON THE BUS



NOTE: A red X will be next to the module that is not communicating, indicating that the module is not active on the Bus network. A green check indicates that the module is active on the Bus network.




Is the TIRM active on the bus?

Yes


No
  • Go To 4

4.(A114) FUSED B(+) CIRCUIT OPEN







Does the test light illuminate brightly?

Yes
  • Go To 5


No

5.(Z909) GROUND CIRCUIT OPEN





Does the test light illuminate brightly?

Yes
  • Go To 6


No

6.(D55) AND (D54) CAN B BUS CIRCUITS OPEN



NOTE: One open circuit will not cause this condition.





Is there any voltage present on either circuit?

Yes


No