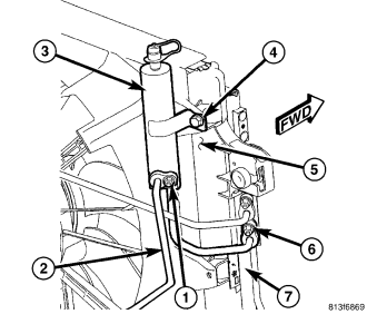
REMOVAL
WARNING: Refer to the applicable warnings and cautions for this system before performing the following operation (refer to 24 - HEATING & AIR CONDITIONING/PLUMBING - WARNING) and (refer to 24 - HEATING & AIR CONDITIONING/PLUMBING - CAUTION). Failure to follow the warnings and cautions could result in possible personal injury or death.

(refer to 24 - HEATING & AIR CONDITIONING/PLUMBING - STANDARD PROCEDURE - REFRIGERANT SYSTEM RECOVERY)
(refer to 23 - BODY/EXTERIOR/GRILLE - REMOVAL)
(refer to 9 - ENGINE/AIR INTAKE SYSTEM/HOUSING-AIR CLEANER - REMOVAL)