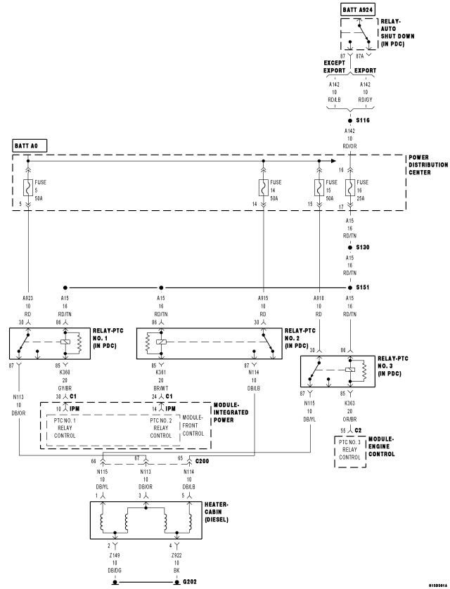
B10B8–CABIN HEATER 2 CONTROL CIRCUIT LOW (FCM)





For a complete wiring diagram Refer to Section 8W


  • When Monitored:

    With the ignition on and the PTC No. 2 Relay command on.

  • Set Condition:

    If the Front Control Module (FCM) detects that the (K361) PTC No. 2 Relay Control circuit is shorted to ground.


Possible Causes
 
(A15) FUSED ASD RELAY OUTPUT CIRCUIT OPEN OR HIGH RESISTANCE
 
(K361) PTC NO. 2 RELAY CONTROL CIRCUIT SHORTED TO GROUND
 
(K361) PTC NO. 2 RELAY CONTROL CIRCUIT OPEN OR HIGH RESISTANCE
 
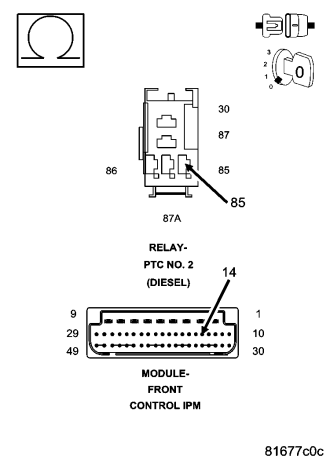
PTC NO. 2 RELAY
 
FRONT CONTROL MODULE (FCM)
 




Diagnostic Test

1.VERIFY THAT THE DTC IS ACTIVE

WARNING: WHEN THE ENGINE IS OPERATING, DO NOT STAND IN A DIRECT LINE WITH THE FAN. DO NOT PUT YOUR HANDS NEAR THE PULLEYS, BELTS OR FAN. DO NOT WEAR LOOSE CLOTHING.

NOTE: If the FCM detects and stores a DTC, the FCM also stores the environmental conditions under which the DTC was set.

NOTE: Before erasing stored DTCs, record these conditions. Attempting to duplicate these conditions may assist when checking for an active DTC.








Is the status Active for this DTC?

Yes
  • Go To 2


No
  • Check for an intermittent condition by inspecting the related wiring harness for chaffed, pierced, pinched, and partially broken wires. Also, inspect the related connectors for broken, bent, pushed out, spread, corroded, or contaminated terminals.

2.CHECK (A15) FUSED ASD RELAY OUTPUT CIRCUIT FOR AN OPEN OR HIGH RESISTANCE







NOTE: The test light should illuminate brightly. Compare the brightness to that of a direct connection to the battery.



Does the test light illuminate brightly?

Yes
  • Go To 3


No

3.(K361) PTC NO. 2 RELAY CONTROL CIRCUIT SHORTED TO GROUND







Is the resistance above 10.0 ohms?

Yes
  • Go To 4


No

4.CHECK (K361) PTC NO. 2 RELAY CONTROL CIRCUIT FOR AN OPEN OR HIGH RESISTANCE





Is the resistance below 10.0 ohms?

Yes
  • Go To 5


No

5.CHECK PTC NO. 2 RELAY











Is the status Active for this DTC?

Yes
  • Go To 6


No

6.INSPECT RELATED WIRING & CHECK FOR TSBs







Were any problems found?

Yes


No