*CHECKING THE FUEL DELIVERY SYSTEM





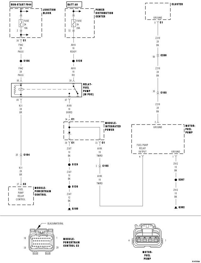
For a complete wiring diagram Refer to Section 8W.



Possible Causes
 
RESTRICTED FUEL SUPPLY LINE
 
FUEL PUMP INLET STRAINER PLUGGED
 
(A109) FUEL PUMP RELAY OUTPUT CIRCUIT
 
FUEL PUMP RELAY
 
FUEL PUMP
 




Diagnostic Test

1.FUEL PUMP OPERATION



NOTE: It may be necessary to use a mechanics stethoscope in the next step.




Does the Fuel Pump operate?

Yes
  • Go To 2


No
  • Go To 5

    CAUTION: Stop All Actuations.


2.FUEL PRESSURE

WARNING: The fuel system is under a constant pressure (even with the engine off). Before testing or servicing any fuel system hose, fitting or line, the fuel system pressure must be released. Failure to follow these instructions can result in personal injury or death.






NOTE: Fuel pressure specification is 407 KPa +/- 34 KPa (59 psi +/- 5 psi).


CAUTION: Stop All Actuations.



Choose a conclusion that best matches your fuel pressure reading.

Below Specification
  • Go To 3


Within Specification
  • Test Complete.


Above Specification

3.RESTRICTED FUEL SUPPLY LINE

WARNING: The fuel system is under a constant pressure even with the engine off. Before testing or servicing any fuel system hose, fitting or line, the fuel system pressure must be released.







NOTE: Fuel pressure specification is 407 KPa +/- 34 KPa (59 psi +/- 5 psi).


CAUTION: Stop All Actuations.



Is the fuel pressure within specification now?

Yes


No
  • Go To 4

4.CHECKING FUEL INLET STRAINER

WARNING: The fuel system is under a constant pressure (even with the engine off). Before testing or servicing any fuel system hose, fitting or line, the fuel system pressure must be released. Failure to follow these instructions can result in personal injury or death.





Is the Fuel Inlet Strainer plugged?

Yes


No

5.(A109) FUEL PUMP RELAY OUTPUT CIRCUIT OPEN






Is the resistance below 5.0 ohms?

Yes


No