P0573-BRAKE SWITCH 1 STUCK OFF





For a complete wiring diagram Refer to Section 8W.


  • When Monitored:

    Ignition on.

  • Set Condition:

    When the PCM recognizes Brake Switch No.1 is stuck in the high/off position. Two Trip Fault. Three good trips to turn off the MIL.


Possible Causes
 
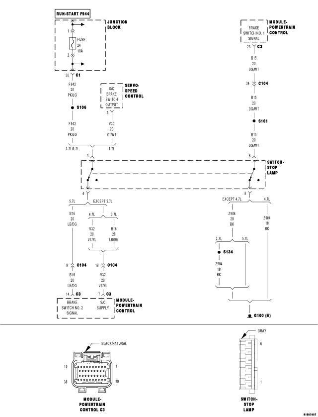
(B15) BRAKE SWITCH NO.1 SIGNAL CIRCUIT OPEN
 
(B16) BRAKE SWITCH NO.2 SIGNAL CIRCUIT SHORTED TO GROUND (ETC ONLY)
 
(Z904) GROUND CIRCUIT OPEN
 
STOP LAMP SWITCH
 
PCM
 


Always perform the Pre-Diagnostic Troubleshooting procedure before proceeding. (Refer to 9 - ENGINE - DIAGNOSIS AND TESTING).



Diagnostic Test

1.ACTIVE DTC




NOTE: It may be necessary to drive the vehicle to meet the conditions to set this DTC, try to repeat the conditions in which the fault originally set by reviewing the Freeze Frame data.



Is the DTC Active or Pending at this time?

Yes
  • Go To 2


No

2.STOP LAMP SWITCH






Does the resistance change from below 5.0 ohms to an open circuit?

Yes
  • Go To 3


No

3.(B15) BRAKE SWITCH NO.1 SIGNAL CIRCUIT OPEN





CAUTION: Do not probe the PCM harness connectors. Probing the PCM harness connectors will damage the PCM terminals resulting in poor terminal to pin connection. Install Miller Special Tool #8815 to perform diagnosis.




Is the resistance below 5.0 ohms?

Yes
  • Go To 4


No

4.(B16) BRAKE SWITCH NO.2 CIRCUIT SHORTED TO GROUND



NOTE: If this vehicle is equipped with a 4.7L engine, answer NO to this test and continue on to the next step.




Is the resistance below 100 ohms?

Yes


No
  • Go To 5

5.(Z904) GROUND CIRCUIT OPEN





Is the resistance below 5.0 ohms?

Yes
  • Go To 6


No

6.PCM

NOTE: Before continuing, check the PCM harness connector terminals for corrosion, damage, or terminal push out. Repair as necessary.




Were there any problems found?

Yes


No