P0153-O2 SENSOR 2/1 SLOW RESPONSE





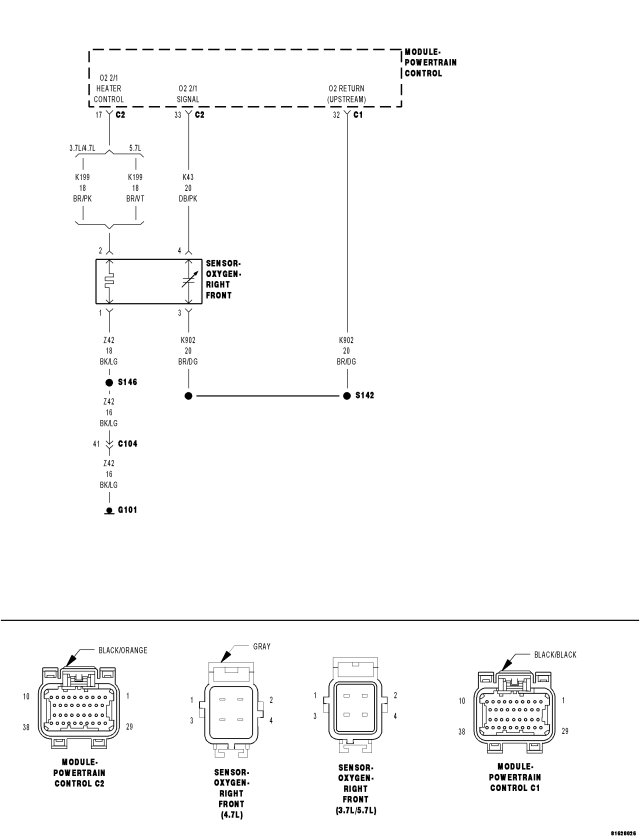
For a complete wiring diagram Refer to Section 8W.

Theory of Operation


For an aged O2 sensor , the response rate to the air/fuel change is slower than when it was new. The O2 sensor tends to move less with the same air/fuel changes in a given time frame. Therefore by observing the activity of voltage readings from the upstream O2 sensor, the quality of the O2 sensor can be detected.

  • When Monitored:

    Vehicle is started and driven between 32 and 88.5 km/h (20 and 55 mph) with the Throttle open for a minimum of 120 seconds. Coolant greater than 70° (158° F). Catalytic Converter Temp greater than 600° C (1112° F) and EVAP Purge is active.

  • Set Condition:

    O2 Sensor response is too slow for a calibrated amount of time. Two Trip Fault. Three good trips to turn off the MIL.


Possible Causes
 
EXHAUST LEAK
 
(K43) O2 2/1 SIGNAL CIRCUIT
 
(K902) O2 RETURN UPSTREAM CIRCUIT
 
O2 SENSOR
 


Always perform the Pre-Diagnostic Troubleshooting procedure before proceeding. (Refer to 9 - ENGINE - DIAGNOSIS AND TESTING).



Diagnostic Test

1.ACTIVE DTC

NOTE: Check for contaminants that may have damaged the O2 Sensor: contaminated fuel, unapproved silicone, oil and coolant.



NOTE: After the repairs have been made, verify proper O2 Sensor operation. If all the O2 Sensor voltage readings have not returned to normal, follow the diagnostic procedure for the remaining O2 Sensors.





NOTE: It may be necessary to drive the vehicle to meet the conditions to set this DTC, try to repeat the conditions in which the fault originally set by reviewing the Freeze Frame data.



Is the DTC Active or Pending at this time?

Yes
  • Go To 2


No

2.CHECKING THE EXHAUST SYSTEM FOR LEAKS



WARNING: The normal operating temperature of the exhaust system is very high. Never work around or attempt to service any part of the exhaust system until it has cooled. Special care should be taken when working near the catalytic converter. The temperature of the converter rises to a high level after a short period of engine operating time



CAUTION: The air pressure must not exceed 27.6 kPa (4 psi), otherwise engine damage can occur.















Type 1 Leak

Type 2 Leak


Leak Location
 
Repair required if results at 27.6 kPa (4 psi) reveal bubble size:
 
Welded joints
 
Type 1, 1 mm (0.04 of an inch) or greater
 
O2 Sensor seal points
 
Type 1, 1 mm (0.04 of an inch) or greater
 
O2 Sensor boss welds
 
Type 1, 1 mm (0.04 of an inch) or greater
 
Flange / joint connections
 
Type 2, 8 mm (0.3 of an inch) or greater
 
Exhaust Manifold to cylinder head connections
 
Type 2, 8 mm (0.3 of an inch) or greater
 
EGR gasket and tube seal points
 
Type 2, 8 mm (0.3 of an inch) or greater
 





Were any exhaust leaks found?

Yes


No
  • Go To 3

3.(K43) O2 2/1 SIGNAL CIRCUIT








Is the voltage between 4.5 and 5.0 volts?

Yes
  • Go To 4


No
  • Check the (K43) O2 2/1 Signal circuit for a short to ground, open, or short to voltage. If OK, replace and program the Powertrain Control Module per Service Information.
  • Perform the POWERTRAIN VERIFICATION TEST. (Refer to 9 - ENGINE - STANDARD PROCEDURE)

4.(K902) O2 RETURN UPSTREAM CIRCUIT





Is the voltage at 2.5 volts?

Yes
  • Go To 5


No
  • Check the (K902) O2 Return Upstream circuit for a short to ground, open, or short to voltage. If OK, replace and program the Powertrain Control Module per Service Information.
  • Perform the POWERTRAIN VERIFICATION TEST. (Refer to 9 - ENGINE - STANDARD PROCEDURE)

5.O2 SENSOR


If there are no possible causes remaining, view repair.

Repair