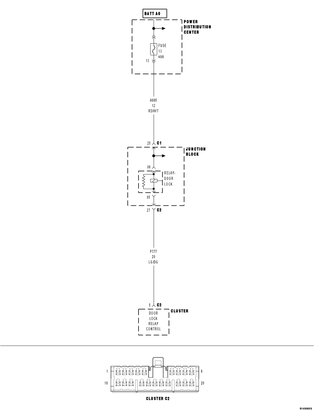
B182D–ALL DOOR LOCK CONTROL CIRCUIT LOW– CLUSTER





For a complete wiring diagram Refer to Section 8W.


  • When Monitored:

    Continuously

  • Set Condition:

    When the Cluster senses a low condition on the (P777) Door Lock Relay Control circuit for over 10 seconds, this code will set.


Possible Causes
 
(P777) DOOR LOCK RELAY CONTROL CIRCUIT SHORT TO GROUND
 
JUNCTION BLOCK
 
INSTRUMENT CLUSTER
 


Theory of Operation


If the (P777) Door Lock Relay Control circuit has been shorted to ground for any length of time, the door latch solenoids are probably damaged. Check all the door latches after the short is repaired.



Diagnostic Test

1.TEST FOR INTERMITTENT CONDITION







Does the scan tool display B182D-ALL DOOR LOCK CONTROL CIRCUIT LOW?

Yes
  • Go To 2


No

2.DOOR LOCK RELAY SHORTED








Is the resistance below 1000.0 ohms?

No


Yes
  • Go To 3

3.(P777) DOOR LOCK RELAY CONTROL CIRCUIT SHORT TO GROUND






Is the resistance below 1000.0 ohms?

Yes


No