B2123-IGNITION RUN CONTROL CIRCUIT HIGH





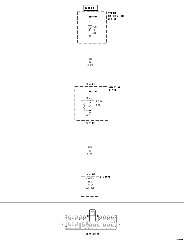
For a complete wiring diagram Refer to Section 8W.


  • When Monitored:

    Continuously.

  • Set Condition:

    When the Cluster senses a high condition on the (F102) Ignition Run Relay Control circuit for over 10 seconds, this code will set.


Possible Causes
 
(F102) IGNITION RUN RELAY CONTROL CIRCUIT SHORT TO BATTERY
 
JUNCTION BLOCK
 
INSTRUMENT CLUSTER
 




Diagnostic Test

1.TEST FOR INTERMITTENT CONDITION






Does the scan tool display: B2123-IGNITION RUN CONTROL CIRCUIT HIGH?

Yes
  • Go To 2


No

2.IGNITION RUN RELAY SHORTED TO BATTERY







Did the relay actuate?

Yes


No
  • Go To 3

3.(F102) IGNITION RUN RELAY CONTROL CIRCUIT SHORTED TO BATTERY







Is there any voltage present?

Yes


No