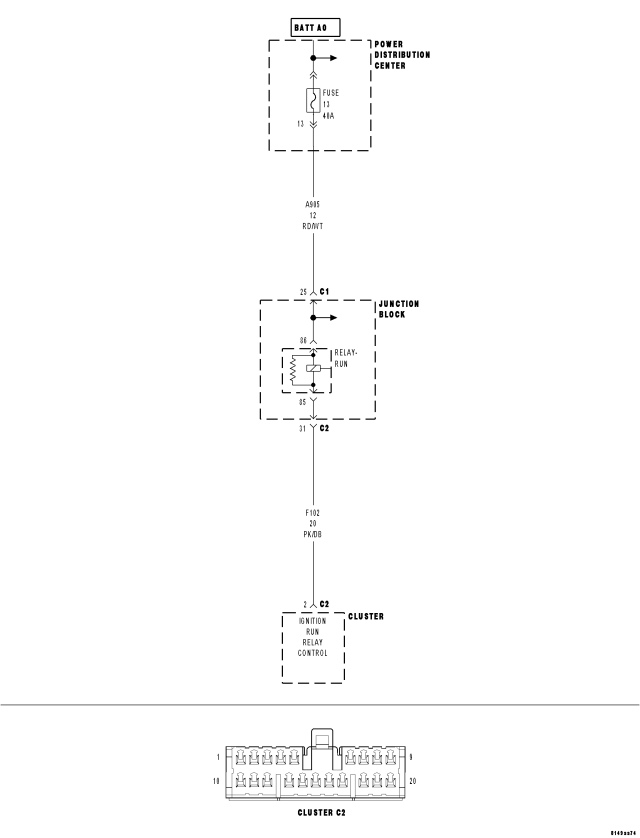
B2122-IGNITION RUN CONTROL CIRCUIT LOW





For a complete wiring diagram Refer to Section 8W.


  • When Monitored:

    Continuously

  • Set Condition:

    When the Cluster senses a low condition on the (F102) Ignition Run Relay Control circuit for over 10 seconds, this code will set.


Possible Causes
 
(F102) IGNITION RUN RELAY CONTROL CIRCUIT LOW
 
JUNCTION BLOCK
 
INSTRUMENT CLUSTER
 




Diagnostic Test

1.TEST FOR INTERMITTENT CONDITION






Does the scan tool display: B2122-IGNITION RUN CONTROL CIRCUIT LOW?

Yes
  • Go To 2


No

2.IGNITION RUN RELAY SHORTED








Is the resistance below 1000.0 ohms?

No


Yes
  • Go To 3

3.(F102) IGNITION RUN RELAY CONTROL CIRCUIT SHORT TO GROUND






Is the resistance below 1000.0 ohms?

Yes


No