B211B-IGNITION RUN/ACC/SPAD CONTROL CIRCUIT HIGH





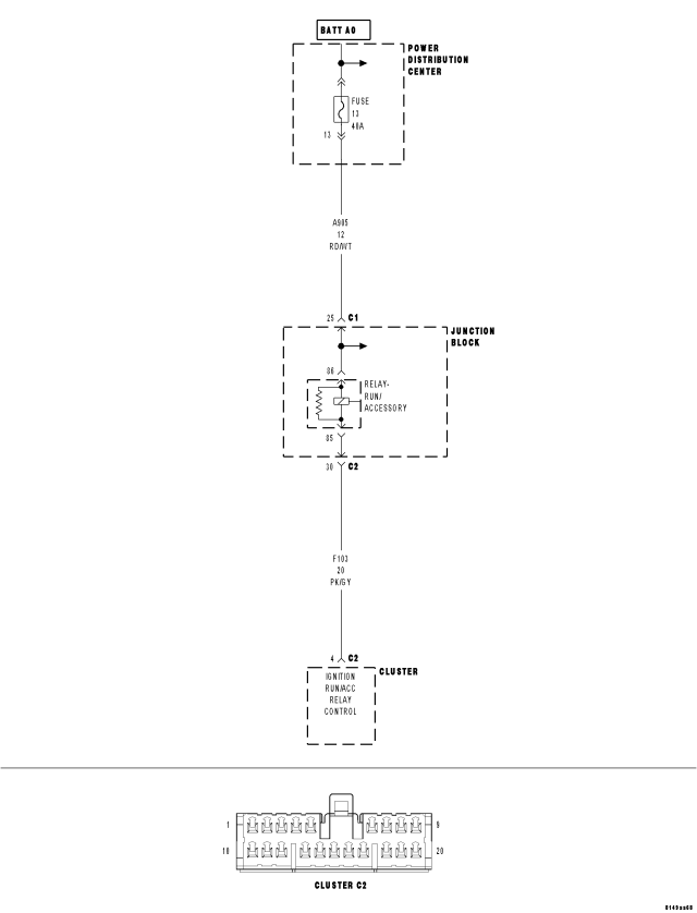
For a complete wiring diagram Refer to Section 8W.


  • When Monitored:

    Continuously

  • Set Condition:

    When the Cluster senses a high condition on the (F103) Ignition Run/Acc Relay Control circuit for over 10 seconds, this code will set.


Possible Causes
 
(F103) IGNITION RUN/ACC RELAY CONTROL CIRCUIT SHORT TO BATTERY
 
JUNCTION BLOCK
 
INSTRUMENT CLUSTER
 




Diagnostic Test

1.TEST FOR INTERMITTENT CONDITION







Does the scan tool display: B211B-IGNITION RUN/ACC/SPAD CONTROL CIRCUIT HIGH?

Yes
  • Go To 2


No

2.IGNITION RUN RELAY SHORTED TO BATTERY







Did the relay actuate?

Yes


No
  • Go To 3

3.(F103) IGNITION RUN/ACC RELAY CONTROL CIRCUIT SHORTED TO BATTERY







Is there any voltage present?

Yes


No