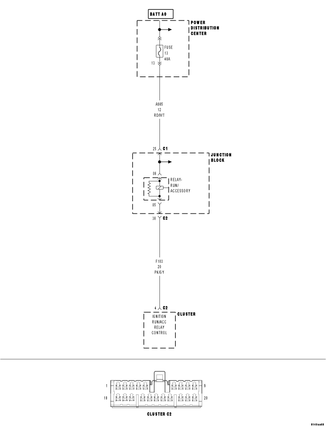
B211A-IGNITION RUN/ACC/SPAD CONTROL CIRCUIT LOW





For a complete wiring diagram Refer to Section 8W.


  • When Monitored:

    Continuously

  • Set Condition:

    When the Cluster senses a low condition on the (F103) Ignition Run/Acc Relay Control circuit for over 10 seconds, this code will set.


Possible Causes
 
(F103) IGNITION RUN/ACC RELAY CONTROL CIRCUIT LOW
 
JUNCTION BLOCK
 
INSTRUMENT CLUSTER
 




Diagnostic Test

1.TEST FOR INTERMITTENT CONDITION







Does the scan tool display: B211A-IGNITION RUN/ACC CONTROL CIRCUIT LOW?

Yes
  • Go To 2


No

2.IGNITION RUN/ACC RELAY SHORTED








Is the resistance below 1000.0 ohms?

No


Yes
  • Go To 3

3.(F103) IGNITION RUN/ACC RELAY CONTROL CIRCUIT SHORT TO GROUND






Is the resistance below 1000.0 ohms?

Yes


No