B211E–IGNITION RUN/ACC/PAD CONTROL CIRCUIT LOW





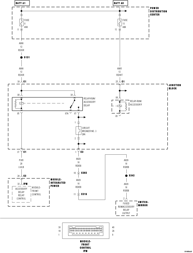
For a complete wiring diagram Refer to Section 8W.


  • When Monitored:

    With the ignition on.

  • Set Condition:

    The Front Control Module will set this DTC within 500ms if the (P305) Accessory Delay Relay Control circuit is open or shorted to ground.


Possible Causes
 
(P305) ACCESSORY DELAY RELAY CONTROL CIRCUIT OPEN
 
(P305) ACCESSORY DELAY RELAY CONTROL CIRCUIT SHORTED TO GROUND
 
RUN/ACCESSORY DELAY RELAY
 
FRONT CONTROL MODULE
 




Diagnostic Test

1.CHECK FOR ACTIVE DTC





Does the scan tool display this DTC as active?

Yes
  • Go To 2


No
  • If the DTC is stored, check for an intermittent condition. Visually inspect the related wiring harness connectors. Look for broken, bent, pushed out, or corroded terminals.

2.RUN/ACCESSORY DELAY RELAY






Does the scan tool display this DTC as active?

Yes
  • Go To 3


No

3.(P305) ACCESSORY DELAY RELAY CONTROL CIRCUIT OPEN








Is the resistance below 10.0 ohms?

Yes
  • Go To 4


No

4.(P305) ACCESSORY DELAY RELAY CONTROL CIRCUIT SHORTED TO GROUND





Is the resistance below 100.0 ohms?

Yes


No