*NO RESPONSE FROM TCM - NAG1/DIESEL





For a complete wiring diagram Refer to Section 8W.



Possible Causes
 
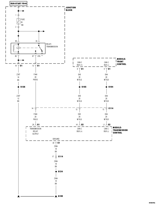
(Z904) GROUND CIRCUIT OPEN
 
(F946) TRANSMISSION RELAY OUTPUT CIRCUIT OPEN OR SHORT
 
(D223) SCI TRANSMIT CIRCUIT SHORTED TO VOLTAGE
 
(D65) CAN C BUS (+) CIRCUIT OPEN
 
(D64) CAN C BUS (-) CIRCUIT OPEN
 
TRANSMISSION CONTROL MODULE
 




Diagnostic Test

1.TEST FOR INTERMITTENT CONDITION


NOTE: Ensure the IOD fuse is installed and battery voltage is between 10.0 and 16.0 volts.



NOTE: A red X will be next to the module that is not communicating, indicating that the module is not active on the Bus network. A green check indicates that the module is active on the Bus network.


NOTE: Check the FCM for any active CAN C hardware and any ignition related DTCs, perform DTCs before proceeding.


NOTE: Ensure the (D223) SCI Transmit circuit is not shorted to voltage. This condition could potentially cause a no response condition to the TCM.



Does the scan tool display a red X next to the module?

Yes
  • Go To 2


No
  • The no response condition is not present at this time. Using the wiring diagram/schematic as a guide, inspect the wiring for chafed, pierced, pinched, and partially broken wires and the wiring harness connectors for broken, bent, pushed out, and corroded terminals.

2.(Z904) GROUND CIRCUIT OPEN







Does the test light illuminate brightly?

Yes
  • Go To 3


No
  • Repair the (Z904) ground circuit for an open.
  • Perform NAG1/Diesel TRANSMISSION VERIFICATION TEST - VER 1.

3.(F946) TRANSMISSION RELAY OUTPUT CIRCUIT OPEN OR SHORTED






Does the test light illuminate brightly?

Yes
  • Go To 4


No
  • Repair the (F946) Transmission Relay Output circuit for an open or short.
  • Perform NAG1/Diesel TRANSMISSION VERIFICATION TEST - VER 1.

4.(D65) CAN C BUS (+) CIRCUIT OPEN








Is resistance below 5.0 ohms?

Yes
  • Go To 5


No
  • Repair the (D65) CAN C Bus (+) circuit for an open.
  • Perform NAG1/Diesel TRANSMISSION VERIFICATION TEST - VER 1.

5.(D64) CAN C BUS (-) CIRCUIT OPEN





Is resistance below 5.0 ohms?

Yes
  • Replace the Transmission Control Module in accordance with the service information.
  • Perform NAG1/Diesel TRANSMISSION VERIFICATION TEST - VER 1.


No
  • Repair the (D64) CAN C Bus (-) circuit for an open.
  • Perform NAG1/Diesel TRANSMISSION VERIFICATION TEST - VER 1.