*NO RESPONSE FROM RADIO





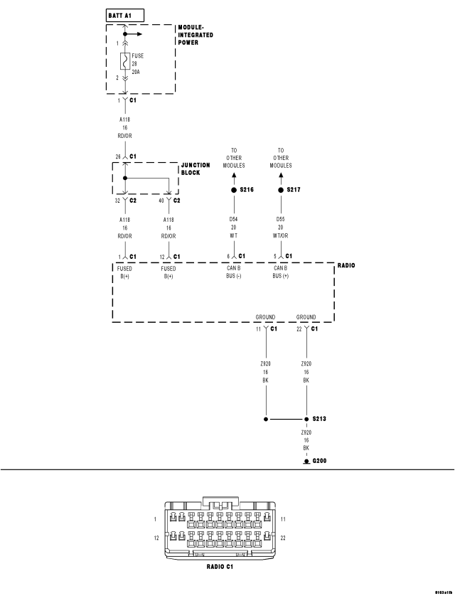
For a complete wiring diagram Refer to Section 8W.



Possible Causes
 
(A118) FUSED B(+) CIRCUIT OPEN OR SHORTED
 
(Z920) GROUND CIRCUIT OPEN
 
(D55) AND (D54) CAN B BUS CIRCUITS OPEN
 
RADIO
 




Diagnostic Test

1.TEST FOR INTERMITTENT CONDITION


NOTE: Ensure the IOD fuse is installed and battery voltage is between 10.0 and 16.0 volts.



NOTE: A red X will be next to the module that is not communicating, indicating that the module is not active on the Bus network. A green check indicates that the module is active on the Bus network.



Does the scan tool display a red X next to the module?

Yes
  • Go To 2


No
  • The no response condition is not present at this time. Using the wiring diagram/schematic as a guide, inspect the wiring for chafed, pierced, pinched, and partially broken wires and the wiring harness connectors for broken, bent, pushed out, and corroded terminals.

2.(A118) FUSED B(+) CIRCUIT OPEN OR SHORTED







Does the test light illuminate brightly for each circuit?

Yes
  • Go To 3


No

3.(Z920) GROUND CIRCUIT OPEN





Does the test light illuminate brightly for each circuit?

Yes
  • Go To 4


No

4.(D55) AND (D54) CAN B BUS CIRCUITS OPEN



NOTE: One open circuit will not cause this condition.





Is there any voltage present on either circuit?

Yes


No