*NO RESPONSE FROM ECM (ENGINE CONTROL MODULE) - DIESEL





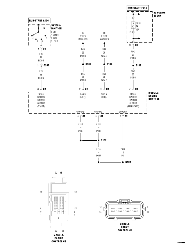
For a complete wiring diagram Refer to Section 8W.



Possible Causes
 
ENGINE CONTROL MODULE POWER AND GROUND
 
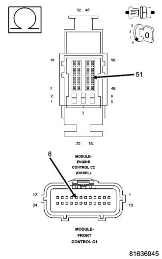
(D65) CAN C BUS (+) CIRCUIT OPEN
 
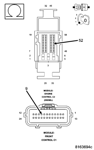
(D64) CAN C BUS (-) CIRCUIT OPEN
 
ENGINE CONTROL MODULE
 




Diagnostic Test

1.TEST FOR INTERMITTENT CONDITION


NOTE: Ensure the IOD fuse is installed and battery voltage is between 10.0 and 16.0 volts.



NOTE: A red X will be next to the module that is not communicating, indicating that the module is not active on the Bus network. A green check indicates that the module is active on the Bus network.


NOTE: Check the FCM for any active CAN C hardware and any ignition related DTCs, perform DTCs before proceeding.



Does the scan tool display a red X next to the module?

Yes
  • Go To 2


No
  • The no response condition is not present at this time. Using the wiring diagram/schematic as a guide, inspect the wiring for chafed, pierced, pinched, and partially broken wires and the wiring harness connectors for broken, bent, pushed out, and corroded terminals.

2.CHECK ECM POWER AND GROUND



Were any problems found?

Yes
  • Repair as necessary.
  • Perform the ECM VERIFICATION TEST.


No
  • Go To 3

3.(D65) CAN C BUS (+) CIRCUIT OPEN








Is resistance below 5.0 ohms?

Yes
  • Go To 4


No
  • Repair the (D65) CAN C Bus (+) circuit for an open.
  • Perform the ECM VERIFICATION TEST.

4.(D64) CAN C BUS (-) CIRCUIT OPEN





Is resistance below 5.0 ohms?

Yes
  • Replace and program the Engine Control Module in accordance with the service information.
  • Perform the ECM VERIFICATION TEST.


No
  • Repair the (D64) CAN C Bus (-) circuit for an open.
  • Perform the ECM VERIFICATION TEST.