*NO RESPONSE FROM AHBM (SMARTBEAM)





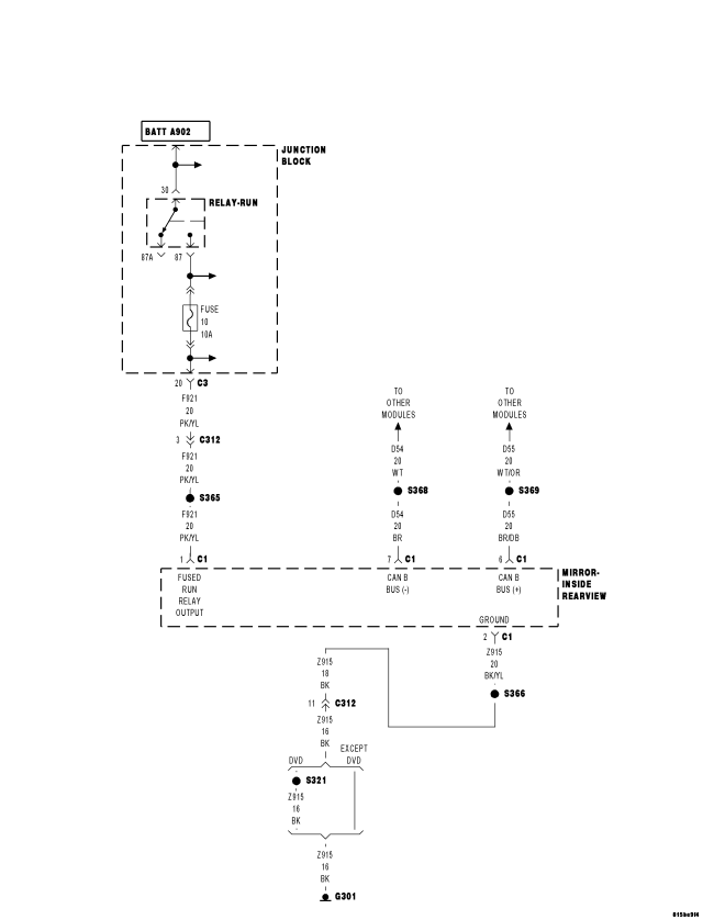
For a complete wiring diagram Refer to Section 8W.



Possible Causes
 
(F921) FUSED RUN RELAY OUTPUT CIRCUIT OPEN OR SHORTED
 
(Z915) GROUND CIRCUIT OPEN
 
(D55) AND (D54) CAN B BUS CIRCUITS OPEN
 
INSIDE REARVIEW MIRROR (CONTROLS SMARTBEAM FUNCTIONS)
 




Diagnostic Test

1.TEST FOR INTERMITTENT CONDITION


NOTE: Ensure the IOD fuse is installed and battery voltage is between 10.0 and 16.0 volts.



NOTE: A red X will be next to the module that is not communicating, indicating that the module is not active on the Bus network. A green check indicates that the module is active on the Bus network.



Does the scan tool display a red X next to the module?

Yes
  • Go To 2


No
  • The no response condition is not present at this time. Using the wiring diagram/schematic as a guide, inspect the wiring for chafed, pierced, pinched, and partially broken wires and the wiring harness connectors for broken, bent, pushed out, and corroded terminals.

2.(F921) FUSED RUN RELAY OUTPUT CIRCUIT OPEN OR SHORTED




NOTE: Check the FCM and the Cluster for any ignition related DTCs. If set, perform the appropriate DTC before proceeding.






Does the test light illuminate brightly?

Yes
  • Go To 3


No

3.(Z915) GROUND CIRCUIT OPEN





Does the test light illuminate brightly?

Yes
  • Go To 4


No

4.(D55) AND (D54) CAN B BUS CIRCUITS OPEN



NOTE: One open circuit will not cause this condition.





Is there any voltage present on either circuit?

Yes


No