Grand Cherokee 3G year 2007
Twitter
Facebook
Snapchat
Instagram
Medium
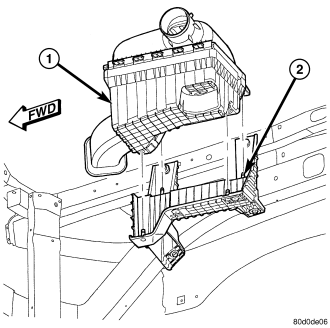
REMOVAL
Filter Element Only
Housing removal is not necessary for element (filter) replacement.
Housing Assembly
Menu
Homepage
JEEP Cars
Wrangler 2007
Compass 2007
Liberty 2007
Grand Cherokee 2007
Commander 2007
Privacy Policy
About Us
Terms of Use
Contact Us
SERVICE MANUALS
TOYOTA
FORD
JEEP
Chevrolet
MAZDA
Mitsubishi