B1B87-PASSENGER SEAT WEIGHT SENSOR 1 - RIGHT REAR PERFORMANCE





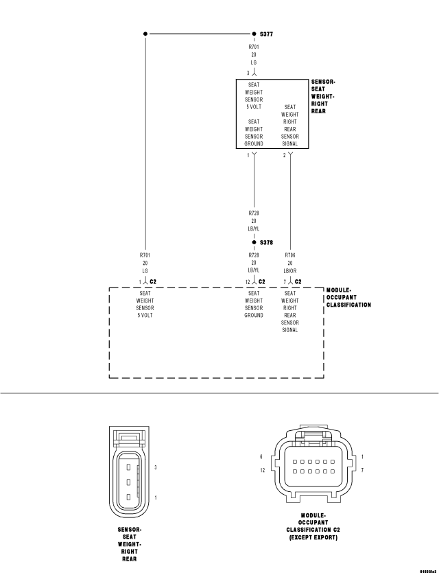
For a complete wiring diagram Refer to Section 8W.


  • When Monitored:

    When CAN ignitions status is Run or SNA, during auto zero and while performing the Occupant Classification Module System Verification Test.

  • Set Condition:

    During the occupant classification module system verification test: if the module detects that the sensor input is less than 1.4 volts or greater than 3.6 volts. During auto zero: if the module detects that the sensor input is less than 1 volt or greater than 4 volts.


Possible Causes
 
PASSENGER SEAT HARNESS WIRES CHAFED, PIERCED, PINCHED, PARTIALLY BROKEN
 
PASSENGER SEAT HARNESS CONNECTOR TERMINALS BROKEN, BENT PUSHED OUT, SPREAD, CORRODED, CONTAMINATED
 
RIGHT-REAR PASSENGER SEAT WEIGHT SENSOR
 
DAMAGE TO THE PASSENGER SEAT STRUCTURE, RISER ASSEMBLY, CROSSMEMBERS, SEAT TRACKS, FLOOR PAN
 
OCCUPANT CLASSIFICATION MODULE (OCM)
 




Diagnostic Test

1.CHECK FOR ACTIVE INTERNAL FAULTS, IGNITION FAULTS, AND BATTERY FAULTS IN THE OCCUPANT CLASSIFICATION MODULE (OCM)

NOTE: Ensure that the battery is fully charged.





Does the scan tool display any active DTCs relating to internal faults, ignition faults, or battery faults?

Yes
  • Diagnose and repair the DTCs. Refer to the Table of Contents in this Section for a complete list of symptoms.


No
  • Go To 2

2.VERIFY THAT DTC B1B87-PASSENGER SEAT WEIGHT SENSOR 1 - RIGHT REAR PERFORMANCE IS ACTIVE



Does the scan tool display active: B1B87-PASSENGER SEAT WEIGHT SENSOR 1 - RIGHT REAR PERFORMANCE?

Yes
  • Go To 3


No
  • Go To 6

3.INSPECT PASSENGER SEAT HARNESS WIRES AND CONNECTORS

WARNING: To avoid personal injury or death, turn the ignition off, disconnect the battery and wait two minutes before proceeding.




Are any of these conditions present?

Yes
  • NOTE: Do not attempt to repair the Seat Harness. Replace the Seat Harness if the condition inspecting or testing for is present in the Seat Harness.

  • Replace the Passenger Seat Harness in accordance with the Service Information.
  • Perform *OCM SYSTEM VERIFICATION TEST.


No
  • Go To 4


Diagnostic Test

4.PERFORM THE OCCUPANT CLASSIFICATION MODULE SYSTEM VERIFICATION TEST

NOTE: Ensure that the battery is fully charged.

NOTE: The Occupant Classification Seat Weights 9077 are required to perform this test.



WARNING: To avoid personal injury or death, turn the ignition on, then reconnect the battery.


NOTE: Failure to follow the test instructions or aborting the test will cause faults to set when performing the Occupant Classification Module System Verification Test. To prevent faults due to process errors: verify that all tests steps that led you here were performed as directed; verify that the ignition is in run; Wait 30 seconds after changing the seat weight before proceeding to allow the system to stabilize; only press scan tool buttons when directed to do so; and perform the Occupant Classification Module System Verification Test to completion.





Does the scan tool display any active PASSENGER SEAT WEIGHT SENSOR DTCs?

Yes
  • Go To 5


No
  • Perform *AIRBAG SYSTEM VERIFICATION TEST - VER 1.

5.PERFORM OCCUPANT CLASSIFICATION MODULE SYSTEM VERIFICATION TEST

WARNING: To avoid personal injury or death, turn the ignition off, disconnect the battery and wait two minutes before proceeding.



WARNING: To avoid personal injury or death, turn the ignition on, then reconnect the battery.


NOTE: Failure to follow the test instructions or aborting the test will cause faults to set when performing the Occupant Classification Module System Verification Test. To prevent faults due to process errors: verify that all tests steps that led you here were performed as directed; verify that the ignition is in run; Wait 30 seconds after changing the seat weight before proceeding to allow the system to stabilize; only press scan tool buttons when directed to do so; and perform the Occupant Classification Module System Verification Test to completion.





Does the scan tool display any active: PASSENGER SEAT WEIGHT SENSOR PERFORMANCE DTCs?

Yes
  • Perform the *Diagnosis / Checkout Procedure For Seat Weight Sensors in this Section.


No
  • But Other DTCs Present
  • Diagnose and repair the DTCs. Refer to the Table of Contents in this Section for a complete list of symptoms.


No
  • No Active DTCs Present
  • Perform *AIRBAG SYSTEM VERIFICATION TEST - VER 1.

6.CHECKING STORED OR INTERMITTENT CODES

WARNING: To avoid personal injury or death, turn the ignition off, disconnect the battery and wait two minutes before proceeding.

NOTE: Diagnose and repair all active codes before diagnosing stored codes. Refer to the Table of Contents in this Section for a complete list of airbag system diagnostic procedures.



WARNING: To avoid personal injury or death, turn the ignition off, disconnect the battery and wait two minutes before proceeding.




WARNING: To avoid personal injury or death, turn the ignition on, then reconnect the battery.


  • Wiggle the wiring harness and connectors of the related airbag circuit.
  • Continue the test until either a code becomes active or the problem area is isolated.



Are any ACTIVE DTCs present?

Yes
  • Select the appropriate diagnostic procedure from the Table of Contents in this section.


No
  • No problem found at this time. Perform the Occupant Classification Module System Verification Test in this Section. Erase all codes before returning vehicle to customer.