U0161-LOST COMMUNICATION WITH COMPASS MODULE





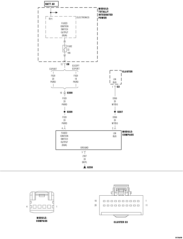
For a complete wiring diagram Refer to Section 8W.


  • When Monitored:

    With the ignition on.

  • Set Condition:

    The Cluster does not receive information from the Compass Module.


Possible Causes
 
(D506) LIN BUS CIRCUIT OPEN
 
(F929) FUSED IGNITION SWITCH OUTPUT (RUN) CIRCUIT OPEN
 
(Z937) GROUND CIRCUIT OPEN
 
COMPASS MODULE
 
CLUSTER
 




Diagnostic Test

1.CHECK FOR AN ACTIVE DTC






Does the scan tool display: U0161-LOST COMMUNICATION WITH COMPASS MODULE?

Yes
  • Go To 2


No
  • The condition that caused this code to set is not present at this time. Check for an intermittent condition by inspecting the related wiring harness for chaffed, pierced, pinched, and partially broken wires. Also inspect the related connectors for broken, bent, pushed out, spread, corroded, or contaminated terminals.
  • Perform BODY VERIFICATION TEST - VER 1. (Refer to 8 - ELECTRICAL/ELECTRONIC CONTROL MODULES - STANDARD PROCEDURE)

2.








Is the voltage above 5 volts?

Yes
  • Go To 4


No
  • Go To 3

3.





Is the resistance below 10K ohms?

Yes


No

4.





Is the voltage above 10 volts?

Yes
  • Go To 5


No

5.(Z937) GROUND CIRCUIT OPEN





Is the resistance below 10K ohms?

Yes


No