Compass 1G year 2007
  • Twitter
  • Facebook
  • Snapchat
  • Instagram
  • Medium

DIESEL ENGINE

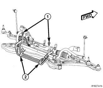
NOTE: Before proceeding, (Refer to 19 - STEERING - WARNING).











(Refer to LUBRICATION & MAINTENANCE/HOISTING - STANDARD PROCEDURE)










Menu

  • Homepage
  • JEEP Cars
    • Wrangler 2007
    • Compass 2007
    • Liberty 2007
    • Grand Cherokee 2007
    • Commander 2007
  • Privacy Policy
  • About Us
  • Terms of Use
  • Contact Us
  • SERVICE MANUALS
    • TOYOTA
    • FORD
    • JEEP
    • Chevrolet
    • MAZDA
    • Mitsubishi

© Automotive Manuals. All rights reserved.