P2010-INTAKE MANIFOLD RUNNER (SWIRL) CONTROL CIRCUIT HIGH





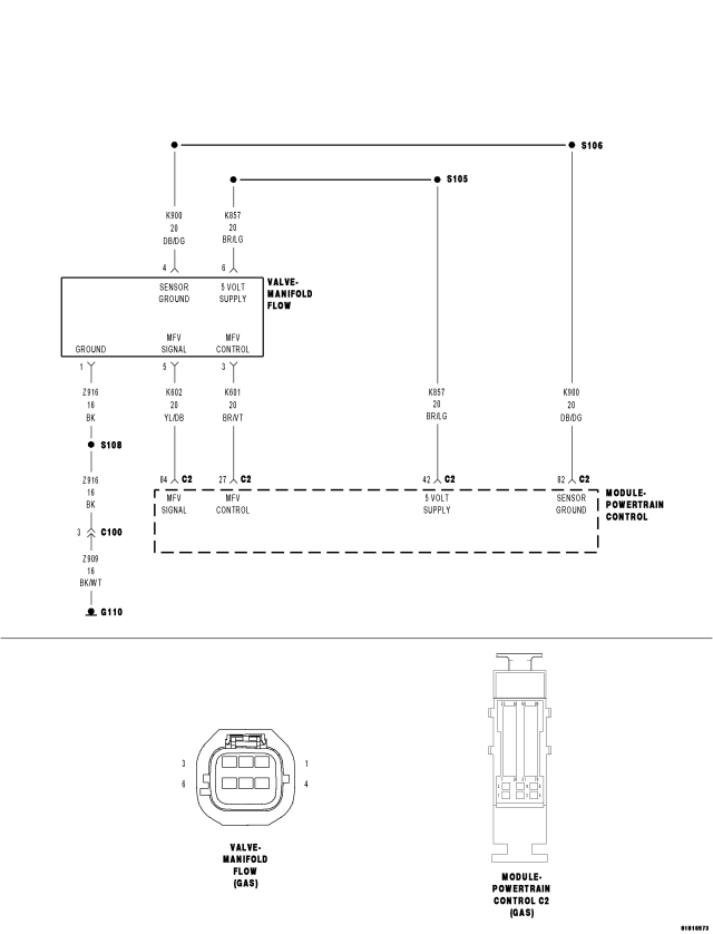
For a complete wiring diagram Refer to Section 8W


  • When Monitored:

    With the engine running and battery voltage greater than 10.4 volts.

  • Set Condition:

    The PCM detects that the Manifold Flow Valve control circuit is shorted high.


Possible Causes
 
INTERMITTENT DTC
 
(K601) MFV CONTROL CIRCUIT SHORTED TO VOLTAGE
 
(K601) MFV CONTROL CIRCUIT OPEN OR HIGH RESISTANCE
 
MANIFOLD FLOW VALVE
 
POWERTRAIN CONTROL MODULE (PCM)
 


Always perform the Pre-Diagnostic Troubleshooting procedure before proceeding. (Refer to 9 - ENGINE - STANDARD PROCEDURE)



Diagnostic Test

1.DTC IS ACTIVE




WARNING: When the engine is operating, do not stand in direct line with the fan. Do not put your hands near the pulleys, belts, or fan. Do not wear loose clothing. Failure to follow these instructions can result in personal injury or death.




Is the status Active for this DTC?

Yes
  • Go to 2


No

2.(K601) MFV CONTROL CIRCUIT SHORTED TO VOLTAGE









Is there any voltage present?

Yes


No
  • Go to 3

3.(K601) MFV CONTROL CIRCUIT OPEN OR HIGH RESISTANCE





Is the resistance below 5.0 ohms?

Yes
  • Go to 4


No

4.MANIFOLD FLOW VALVE







NOTE: The test light should be illuminated and bright. Compare the brightness to that of a direct connection to the battery.




NOTE: The test light should not be illuminated.



Is the test light illuminated and bright with the actuator ON (100%) and not illuminated with the actuator OFF (0%)?

Yes


No
  • Go to 5

5.POWERTRAIN CONTROL MODULE (PCM)






Were any problems found?

Yes


No