P0592-SPEED CONTROL SWITCH 2 CIRCUIT LOW





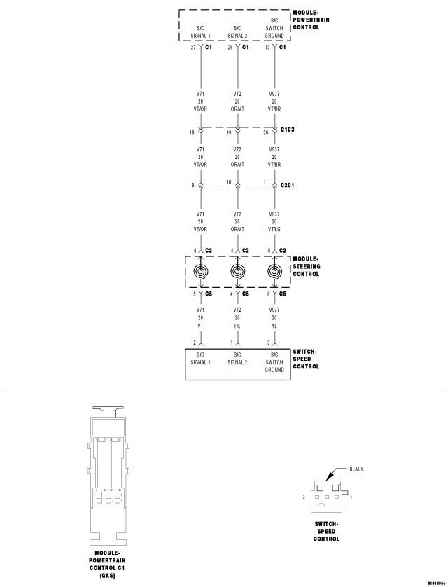
For a complete wiring diagram Refer to Section 8W


  • When Monitored:

    With the ignition on and battery voltage greater than 10.4 volts.

  • Set Condition:

    The PCM detects that the Speed Control signal voltage is implausible.


Possible Causes
 
INTERMITTENT DTC
 
(V72) S/C SIGNAL 2 CIRCUIT SHORTED TO GROUND
 
(V72) S/C SIGNAL 2 CIRCUIT SHORTED TO THE (V937) S/C SWITCH GROUND CIRCUIT
 
(V72) S/C SIGNAL 2 CIRCUIT OPEN OR HIGH RESISTANCE
 
(V937) S/C SWITCH GROUND CIRCUIT OPEN OR HIGH RESISTANCE
 
CLOCKSPRING
 
SPEED CONTROL SWITCH
 
STEERING CONTROL MODULE (SCM)
 
POWERTRAIN CONTROL MODULE (PCM)
 


Always perform the Pre-Diagnostic Troubleshooting procedure before proceeding. (Refer to 9 - ENGINE - STANDARD PROCEDURE)



Diagnostic Test

1.DTC IS ACTIVE

NOTE: Refer to the following table when diagnosing speed control switch voltage DTCs.



 Switch 1 Voltage (pin A27)
 
Switch 2 Voltage (pin A26)
 
On/Off - Min.
 
0.5882
 
3.5294
 
On/Off - Max.
 
1.1373
 
3.9216
 
Set - Min.
 
3.1569
 
1.1765
 
Set - Max.
 
3.5686
 
1.5686
 
Cancel - Min.
 
1.5882
 
2.8431
 
Cancel - Max.
 
2.0000
 
3.2549
 
Accel - Min.
 
3.8824
 
2.0392
 
Accel - Max.
 
4.1765
 
2.4706
 



WARNING: When the engine is operating, do not stand in direct line with the fan. Do not put your hands near the pulleys, belts, or fan. Do not wear loose clothing. Failure to follow these instructions can result in personal injury or death.


NOTE: It may be necessary to test drive the vehicle and operate the speed control in order for this DTC to set.




Is the status Active for this DTC?

Yes
  • Go to2


No

2.SPEED CONTROL SWITCH





NOTE: The (V72) S/C Signal 2 voltage should be above 4.8 volts with the Speed Control Switch removed.



Is the (V72) S/C Signal 2 voltage above 4.8 volts with the Speed Control Switch removed?

Yes


No
  • Go to3

3.CLOCKSPRING





NOTE: The (V72) S/C Signal 2 voltage should be above 4.8 volts with the connector disconnected.



Is the (V72) S/C Signal 2 voltage above 4.8 volts with the connector disconnected?

Yes


No
  • Go to4

4.STEERING CONTROL MODULE (SCM)





NOTE: The (V72) S/C Signal 2 voltage should be above 4.8 volts with the connector disconnected.



Is the (V72) S/C Signal 2 voltage above 4.8 volts with the connector disconnected?

Yes


No
  • Go to5

5.(V72) S/C SIGNAL 2 CIRCUIT SHORTED TO GROUND






Is the resistance above 100 ohms?

Yes
  • Go to 6


No

6.(V72) S/C SIGNAL 2 CIRCUIT SHORTED TO THE (V937) S/C SWITCH GROUND CIRCUIT





Is the resistance above 100 ohms?

Yes
  • Go to 7


No

7.(V72) S/C SIGNAL 2 CIRCUIT OPEN OR HIGH RESISTANCE





Is the resistance below 5.0 ohms?

Yes
  • Go to8


No

8.(V937) S/C SWITCH GROUND CIRCUIT OPEN OR HIGH RESISTANCE





Is the resistance below 5.0 ohms?

Yes
  • Go to9


No

9.POWERTRAIN CONTROL MODULE (PCM)






Were any problems found?

Yes


No