Compass 1G year 2007
  • Twitter
  • Facebook
  • Snapchat
  • Instagram
  • Medium

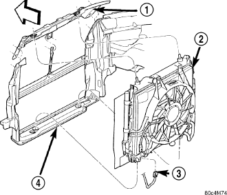
GAS ENGINE



















(Refer to 23 - BODY/EXTERIOR/RADIATOR CLOSURE PANEL - INSTALLATION)




(Refer to 7 - COOLING/ENGINE - STANDARD PROCEDURE)

Menu

  • Homepage
  • JEEP Cars
    • Wrangler 2007
    • Compass 2007
    • Liberty 2007
    • Grand Cherokee 2007
    • Commander 2007
  • Privacy Policy
  • About Us
  • Terms of Use
  • Contact Us
  • SERVICE MANUALS
    • TOYOTA
    • FORD
    • JEEP
    • Chevrolet
    • MAZDA
    • Mitsubishi

© Automotive Manuals. All rights reserved.