INTEGRATED CONTROL UNIT - GAS ENGINE


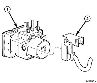
CAUTION: Before installing the ABM harness connector on the ABM, be sure the seal is properly installed in the connector.



(Refer to 8 - ELECTRICAL/BATTERY SYSTEM - STANDARD PROCEDURE)

(Refer to 5 - BRAKES - ABS - STANDARD PROCEDURE)