P0641-SENSOR REFERENCE VOLTAGE 1 CIRCUIT





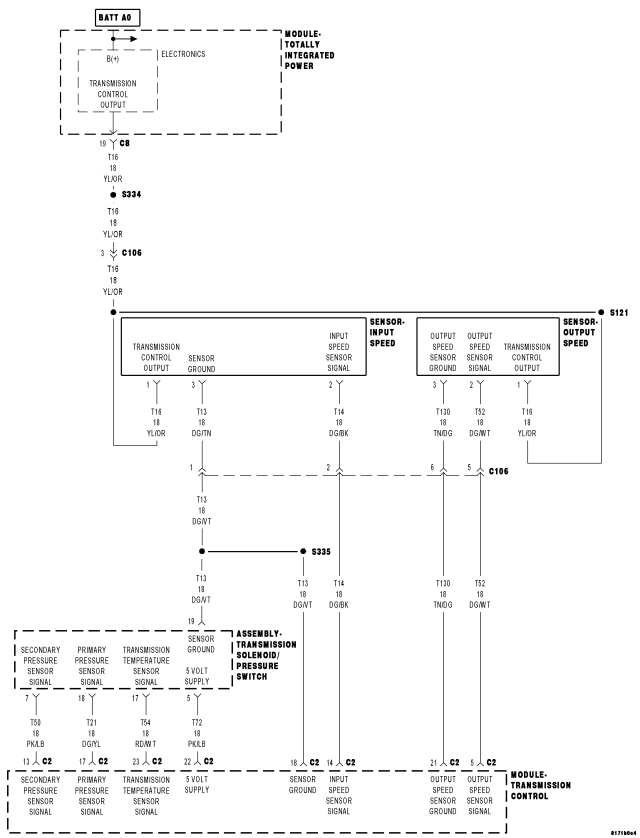
For a complete wiring diagram Refer to Section 8W.

Theory of Operation


A common 5-volt power supply is used by both the primary and secondary pressure sensors as well as an internal ROM Assembly. If the power supply does not maintain a predetermined voltage range to the pressure sensors after the period of 5.0 seconds, the Transmission Control Module (TCM) sets the DTC and illuminates the MIL.


  • When Monitored:

    Ignition on with system voltage between 9.0 and 16.0 volts.

  • Set Condition:

    When the monitored input voltage from primary pressure sensor and secondary pressure sensor is less than 0.05 volts for a continuous period of 5.0 seconds.


Possible Causes
 
(T72) 5-VOLT SUPPLY CIRCUIT OPEN
 
(T72) 5-VOLT SUPPLY CIRCUIT SHORT TO GROUND
 
INTERNAL TRANSMISSION
 
TRANSMISSION CONTROL MODULE
 


Always perform the CVT Pre-Diagnostic Troubleshooting procedure before proceeding. (Refer to 21 - TRANSMISSION/TRANSAXLE/AUTOMATIC - CVT - STANDARD PROCEDURE)



Diagnostic Test

1.CHECK TO SEE IF THE DTC IS ACTIVE



Is the status Active for this DTC or is the STARTS SINCE SET counter 2 or less?

Yes
  • Go To 2


No
  • Go To 5

2.CHECK THE (T72) 5-VOLT SUPPLY CIRCUIT VOLTAGE








Is the voltage 5.0 volts (± 0.5 volts)?

Yes


No
  • Go To 3

3.CHECK THE (T72) 5-VOLT SUPPLY CIRCUIT FOR AN OPEN







Is the resistance above 5.0 ohms?

Yes


No
  • Go To 4

4.CHECK THE (T72) 5-VOLT SUPPLY CIRCUIT FOR A SHORT TO GROUND





Is the resistance below 5.0 ohms?

Yes


No
  • Using the schematics as a guide, check the Transmission Control Module (TCM) terminals for corrosion, damage, or terminal push out. Pay particular attention to all power and ground circuits. Check for any Service Bulletins for possible causes that may apply. If no problems are found, replace the TCM per the Service Information.
  • Perform CVT VERIFICATION TEST. (Refer to 21 - TRANSMISSION/TRANSAXLE/AUTOMATIC - CVT - STANDARD PROCEDURE)

5.INTERMITTENT WIRING AND CONNECTORS





Were there any problems found?

Yes


No
  • Test Complete.