*PCI BUS COMMUNICATION FAILURE





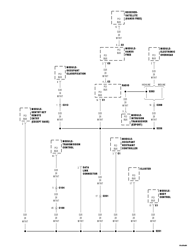
For a complete wiring diagram Refer to Section 8W.



Possible Causes
 
(D25) PCI BUS CIRCUIT OPEN AT DATA LINK CONNECTOR (DLC)
 
(D25) PCI BUS CIRCUIT SHORTED TO GROUND
 
(D25) PCI BUS CIRCUIT SHORTED TO VOLTAGE
 
ANY PCI BUS MODULE INTERNALLY SHORTED TO GROUND
 
ANY PCI BUS MODULE INTERNALLY SHORTED TO VOLTAGE
 




Diagnostic Test

1.PCI BUS COMMUNICATION AND TEST FOR INTERMITTENT CONDITION


NOTE: Ensure the IOD fuse is installed and battery voltage is between 10.0 and 16.0 volts.



NOTE: A red X will be next to the module that is not communicating or not installed on the vehicle, indicating that the module is not active on the Bus network. A green check indicates that the module is active on the Bus network.



Does the scan tool communicate with any module on the PCI Bus network?

Yes
  • The conditions that caused this symptom are not present at this time. Using the wiring diagram/schematic as a guide, inspect the wiring and connectors.


No
  • Go To 2

2.(D25) PCI BUS CIRCUIT OPEN AT THE DLC


NOTE: If the PCI Bus circuit is open between the BCM and the DLC the scan tool will be unable to identify the vehicle. Perform the test below to determine if the open condition exists causing the scan tool error.








Is the resistance below 5.0 ohms?

Yes
  • Go To 3


No

3.CHECK THE (D25) PCI BUS CIRCUIT FOR A SHORT TO VOLTAGE



NOTE: Reconnect the BCM harness connector and the negative battery cable.





Is the voltage steadily above 7.0 volts?

Yes
  • Go To 4


No
  • Go To 5

4.(D25) PCI BUS CIRCUIT SHORTED TO VOLTAGE


NOTE: If the PCI Bus circuit is shorted to voltage the scan tool will be unable to identify the vehicle. Perform the test below, make the repairs as indicated. Re-attempt communication with the scan tool.




NOTE: For each module on the PCI Bus perform the following steps.





Is the voltage steadily above 7.0 volts with all the modules disconnected?

Yes


No

5.(D25) PCI BUS CIRCUIT SHORTED TO GROUND


NOTE: If the PCI Bus circuit is shorted to ground the scan tool will be unable to identify the vehicle. Perform the test below, make the repairs as indicated. When the repair is complete unplug the IOD fuse, wait 30 seconds, and plug the fuse back in. This will re-initialize the BCM. Re-attempt communication with the scan tool.





NOTE: Total bus resistance to ground thru all of the modules is typically between 350 to 1000 ohms. The more modules on the PCI Bus, the lower the total resistance will be.



Is the resistance below 150.0 ohms with all the modules disconnected?

Yes


No