*NO RESPONSE FROM TCM (TRANSMISSION CONTROL MODULE) (2.8L)





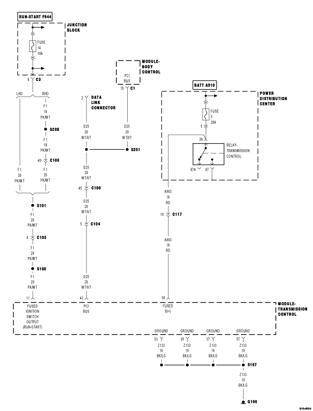
For a complete wiring diagram Refer to Section 8W.



Possible Causes
 
(A903) FUSED B(+) CIRCUIT OPEN OR SHORTED
 
(Z133) GROUND CIRCUIT OPEN
 
(F1) FUSED IGNITION SWITCH OUTPUT CIRCUIT OPEN OR SHORTED
 
(D25) PCI BUS CIRCUIT OPEN
 
TRANSMISSION CONTROL MODULE
 




Diagnostic Test

1.TEST FOR INTERMITTENT CONDITION


NOTE: Ensure the IOD fuse is installed and battery voltage is between 10.0 and 16.0 volts.



NOTE: A red X will be next to the module that is not communicating, indicating that the module is not active on the Bus network. A green check indicates that the module is active on the Bus network.



Does the scan tool display a red X next to the module?

Yes
  • Go To 2


No
  • The no response condition is not present at this time. Using the wiring diagram/schematic as a guide, inspect the wiring for chafed, pierced, pinched, and partially broken wires and the wiring harness connectors for broken, bent, pushed out, and corroded terminals.

2.(A903) FUSED B(+) CIRCUIT OPEN OR SHORTED







Does the test light illuminate brightly?

Yes
  • Go To 3


No
  • Repair the (A903) Fused B(+) circuit for an open or short.
  • Perform the appropriate POWERTRAIN VERIFICATION TEST.

3.(Z133) GROUND CIRCUIT OPEN





Does the test light illuminate brightly for each circuit?

Yes
  • Go To 4


No
  • Repair the (Z133) ground circuit for an open.
  • Perform the appropriate POWERTRAIN VERIFICATION TEST.

4.(F1) FUSED IGNITION SWITCH OUTPUT CIRCUIT OPEN OR SHORTED






Does the test light illuminate brightly?

Yes
  • Go To 5


No
  • Repair the (F1) Fused Ignition Switch Output circuit for an open or short.
  • Perform the appropriate POWERTRAIN VERIFICATION TEST.

5.(D25) PCI BUS CIRCUIT OPEN







Is the resistance below 5.0 ohms?

Yes
  • Replace the Transmission Control Module in accordance with the service information.
  • Perform the appropriate POWERTRAIN VERIFICATION TEST.


No
  • Repair the (D25) PCI Bus circuit for an open.
  • Perform the appropriate POWERTRAIN VERIFICATION TEST.