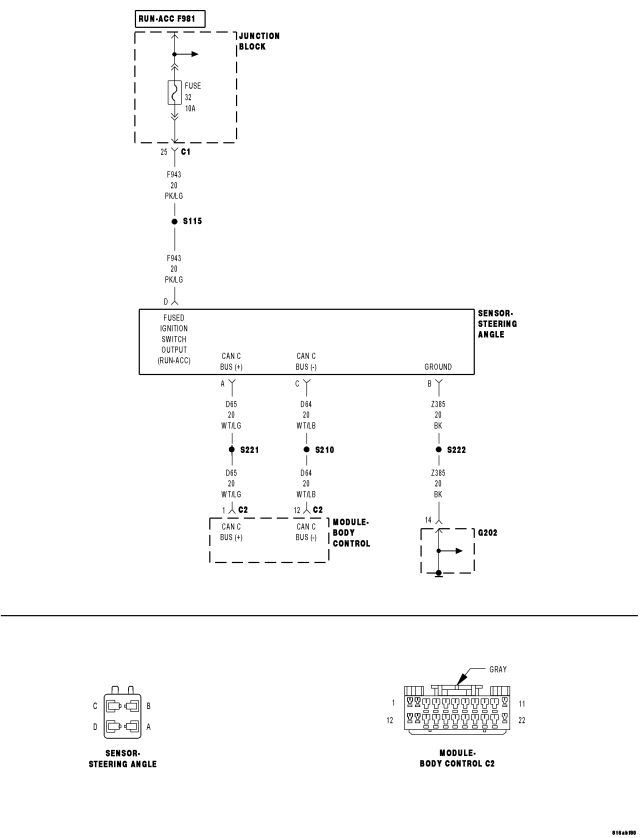
*NO RESPONSE FROM THE SAS (STEERING ANGLE SENSOR)





For a complete wiring diagram Refer to Section 8W.



Possible Causes
 
(F943) FUSED IGNITION SWITCH OUTPUT CIRCUIT OPEN OR SHORTED
 
(Z385) GROUND CIRCUIT OPEN
 
(D65) CAN C BUS (+) CIRCUIT OPEN
 
(D64) CAN C BUS (-) CIRCUIT OPEN
 
STEERING ANGLE SENSOR
 




Diagnostic Test

1.TEST FOR INTERMITTENT CONDITION


NOTE: Ensure the IOD fuse is installed and battery voltage is between 10.0 and 16.0 volts.



NOTE: A red X will be next to the module that is not communicating, indicating that the module is not active on the Bus network. A green check indicates that the module is active on the Bus network.



Does the scan tool display a red X next to the sensor?

Yes
  • Go To 2


No
  • The no response condition is not present at this time. Using the wiring diagram/schematic as a guide, inspect the wiring for chafed, pierced, pinched, and partially broken wires and the wiring harness connectors for broken, bent, pushed out, and corroded terminals.

2.(F943) FUSED IGNITION SWITCH OUTPUT CIRCUIT OPEN OR SHORTED








Does the test light illuminate brightly?

Yes
  • Go To 3


No

3.(Z385) GROUND CIRCUIT OPEN






Does the test light illuminate brightly?

Yes
  • Go To 4


No

4.(D65) CAN C BUS (+) CIRCUIT OPEN






Is resistance below 5.0 ohms?

Yes
  • Go To 5


No

5.(D64) CAN C BUS (-) CIRCUIT OPEN





Is resistance below 5.0 ohms?

Yes


No