*NO RESPONSE FROM SKREEM (SENTRY KEY REMOTE ENTRY MODULE)





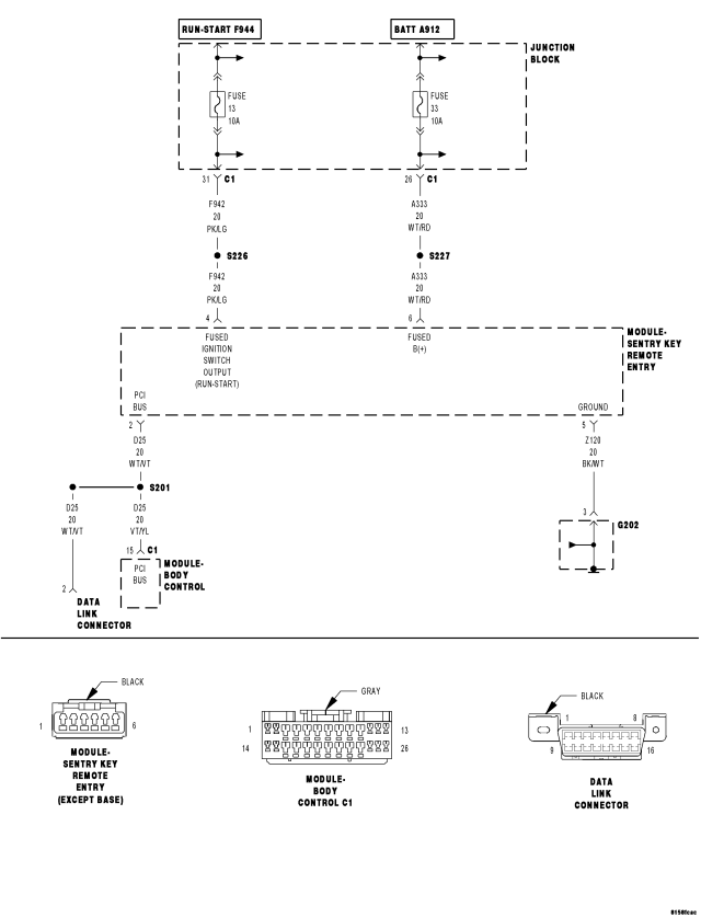
For a complete wiring diagram Refer to Section 8W.



Possible Causes
 
(Z120) GROUND CIRCUIT OPEN
 
(A333) FUSED B(+) CIRCUIT OPEN
 
(F942) FUSED IGNITION SWITCH OUTPUT CIRCUIT OPEN
 
(D25) PCI BUS CIRCUIT OPEN
 
SENTRY KEY REMOTE ENTRY MODULE (SKREEM)
 




Diagnostic Test

1.TEST FOR INTERMITTENT CONDITION


NOTE: Ensure the IOD fuse is installed and battery voltage is between 10.0 and 16.0 volts.



NOTE: A red X will be next to the module that is not communicating, indicating that the module is not active on the Bus network. A green check indicates that the module is active on the Bus network.



Does the scan tool display a red X next to the module?

Yes
  • Go To 2


No
  • The no response condition is not present at this time. Using the wiring diagram/schematic as a guide, inspect the wiring for chafed, pierced, pinched, and partially broken wires and the wiring harness connectors for broken, bent, pushed out, and corroded terminals.

2.(Z120) GROUND CIRCUIT OPEN







Does the test light illuminate brightly?

Yes
  • Go To 3


No
  • Repair the (Z120) Ground circuit for an open.
  • Perform SKIS VERIFICATION TEST.

3.(A333) FUSED B(+) CIRCUIT OPEN





Does the test light illuminate brightly?

Yes
  • Go To 4


No
  • Repair the (A333) Fused B(+) circuit for an open.
  • Perform SKIS VERIFICATION TEST.

4.(F942) FUSED IGNITION SWITCH OUTPUT CIRCUIT OPEN






Does the test light illuminate brightly?

Yes
  • Go To 5


No
  • Repair the (F942) Fused Ignition Switch Output circuit for an open.
  • Perform SKIS VERIFICATION TEST.

5.(D25) PCI BUS CIRCUIT OPEN







Is the resistance below 5.0 ohms?

Yes
  • Replace the Sentry Key Remote Entry Module (SKREEM) in accordance with the service information.
  • Perform SKIS VERIFICATION TEST.


No
  • Repair the (D25) PCI Bus circuit for an open.
  • Perform SKIS VERIFICATION TEST.