*NO RESPONSE FROM ORC (OCCUPANT RESTRAINT CONTROLLER)





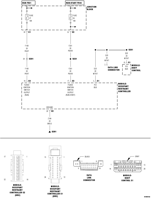
For a complete wiring diagram Refer to Section 8W.



Possible Causes
 
(F201) FUSED IGNITION SWITCH OUTPUT (RUN-START) CIRCUIT OPEN
 
(F100) FUSED IGNITION SWITCH OUTPUT (RUN) CIRCUIT OPEN
 
(Z104) GROUND CIRCUIT OPEN
 
(D25) PCI BUS CIRCUIT OPEN
 
OCCUPANT RESTRAINT CONTROLLER
 




Diagnostic Test

1.TEST FOR INTERMITTENT CONDITION


NOTE: Ensure the IOD fuse is installed and battery voltage is between 10.0 and 16.0 volts.



NOTE: A red X will be next to the module that is not communicating, indicating that the module is not active on the Bus network. A green check indicates that the module is active on the Bus network.



Does the scan tool display a red X next to the module?

Yes
  • Go To 2


No
  • The no response condition is not present at this time. Using the wiring diagram/schematic as a guide, inspect the wiring for chafed, pierced, pinched, and partially broken wires and the wiring harness connectors for broken, bent, pushed out, and corroded terminals.

2.CHECKING FOR VOLTAGE AT THE ORC



WARNING: To avoid personal injury or death, turn the ignition off, disconnect the battery and wait two minutes before proceeding.




WARNING: To avoid personal injury or death, turn the ignition on, then reconnect the battery.



NOTE: One open circuit will not cause a NO RESPONSE condition.



Did the test light illuminate brightly on both circuits?

Yes
  • Go To 3


No
  • Repair the (F100) Fused Ignition Switch Output (run) or the (F201) Fused Ignition Switch Output (run-start) circuit for an open.
  • Perform the AIRBAG VERIFICATION TEST – VER 1.

3.(Z104) GROUND CIRCUIT OPEN






Did the test light illuminate brightly?

Yes
  • Go To 4


No
  • Repair the (Z104) Ground circuit for an open.
  • Perform the AIRBAG VERIFICATION TEST – VER 1.

4.(D25) PCI BUS CIRCUIT OPEN






Is the resistance below 5.0 ohms?

Yes
  • Replace the Occupant Restraint Controller Module in accordance with the service information.
  • Perform the AIRBAG VERIFICATION TEST – VER 1.


No
  • Repair the (D25) PCI Bus circuit for an open.
  • Perform the AIRBAG VERIFICATION TEST – VER 1.