*NO RESPONSE FROM ECM (ENGINE CONTROL MODULE) - DIESEL





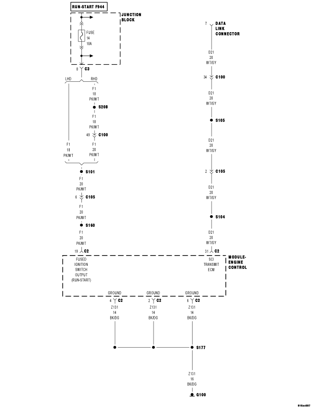
For a complete wiring diagram Refer to Section 8W.



Possible Causes
 
ENGINE CONTROL MODULE POWER AND GROUND
 
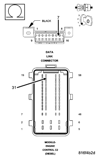
(D21) SCI TRANSMIT CIRCUIT SHORTED TO VOLTAGE
 
(D21) SCI TRANSMIT CIRCUIT SHORTED TO GROUND
 
(D21) SCI TRANSMIT CIRCUIT OPEN
 
TRANSMISSION CONTROL MODULE
 
ANTILOCK BRAKE MODULE
 
ENGINE CONTROL MODULE
 




Diagnostic Test

1.TEST FOR INTERMITTENT CONDITION


NOTE: Ensure the IOD fuse is installed and battery voltage is between 10.0 and 16.0 volts.



NOTE: A red X will be next to the module that is not communicating, indicating that the module is not active on the Bus network. A green check indicates that the module is active on the Bus network.



Does the scan tool display a red X next to the module?

Yes
  • Go To 2


No
  • The no response condition is not present at this time. Using the wiring diagram/schematic as a guide, inspect the wiring for chafed, pierced, pinched, and partially broken wires and the wiring harness connectors for broken, bent, pushed out, and corroded terminals.

2.CHECK ECM POWER AND GROUND



Were any problems found?

Yes
  • Repair as necessary.
  • Perform the ECM VERIFICATION TEST.


No
  • Go To 3

3.(D21) SCI CIRCUIT SHORTED TO GROUND AT ECM








Is resistance below 5.0 ohms?

Yes
  • Go To 4


No
  • Go To 6

4.(D21) SCI CIRCUIT SHORTED TO GROUND AT TCM





NOTE: If the vehicle is not equipped with a TCM, answer yes to the question.



Is resistance below 5.0 ohms?

Yes
  • Go To 5


No

5.(D21) SCI CIRCUIT SHORTED TO GROUND AT ABS MODULE






Is resistance below 5.0 ohms?

Yes


No

6.(D21) SCI CIRCUIT SHORTED TO VOLTAGE AT THE DLC






Is the voltage above 10.0 volts?

Yes


No
  • Go To 7

7.(D21) SCI CIRCUIT OPEN AT THE DLC






Is resistance below 5.0 ohms?

Yes
  • Replace the Engine Control Module in accordance with the service information.
  • Perform the ECM VERIFICATION TEST.


No