*NO RESPONSE FROM CLUSTER





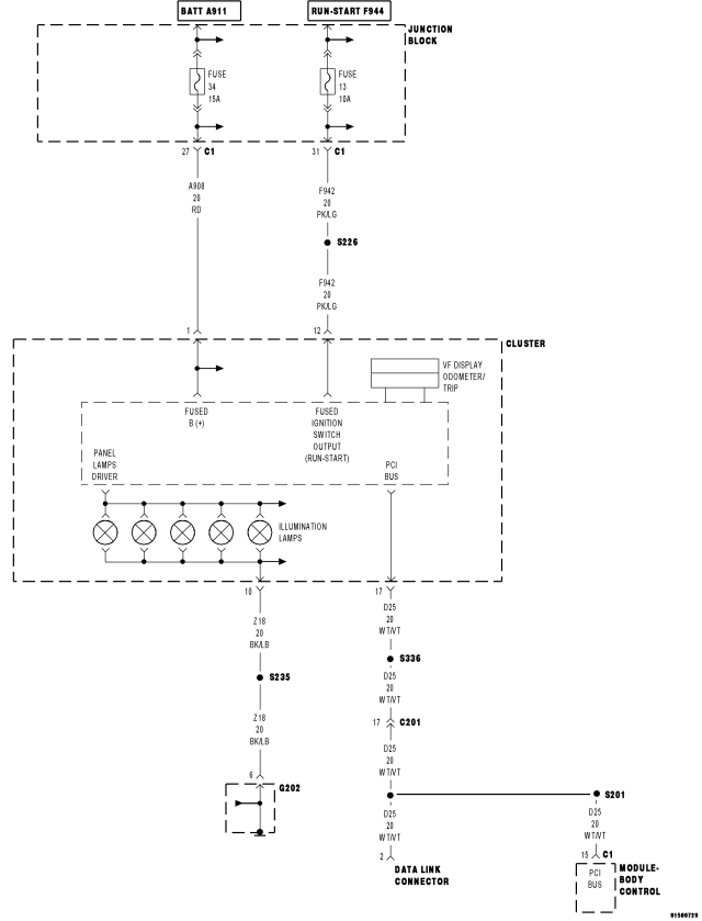
For a complete wiring diagram Refer to Section 8W.



Possible Causes
 
(Z18) GROUND CIRCUIT OPEN
 
(A908) FUSED B(+) CIRCUIT OPEN
 
(F942) FUSED IGNITION SWITCH OUTPUT CIRCUIT OPEN
 
(D25) PCI BUS CIRCUIT OPEN
 
CLUSTER
 




Diagnostic Test

1.TEST FOR INTERMITTENT CONDITION


NOTE: Ensure the IOD fuse is installed and battery voltage is between 10.0 and 16.0 volts.



NOTE: A red X will be next to the module that is not communicating, indicating that the module is not active on the Bus network. A green check indicates that the module is active on the Bus network.



Does the scan tool display a red X next to the module?

Yes
  • Go To 2


No
  • The no response condition is not present at this time. Using the wiring diagram/schematic as a guide, inspect the wiring for chafed, pierced, pinched, and partially broken wires and the wiring harness connectors for broken, bent, pushed out, and corroded terminals.

2.(Z18) GROUND CIRCUIT OPEN







Does the test light illuminate brightly?

Yes
  • Go To 3


No

3.(A908) FUSED B(+) CIRCUIT OPEN





Does the test light illuminate brightly?

Yes
  • Go To 4


No

4.(F942) FUSED IGNITION SWITCH OUTPUT CIRCUIT OPEN






Does the test light illuminate brightly?

Yes
  • Go To 5


No

5.(D25) PCI BUS CIRCUIT OPEN







Is the resistance below 5.0 ohms?

Yes


No