*NO RESPONSE FROM ABS (ANTILOCK BRAKE MODULE)





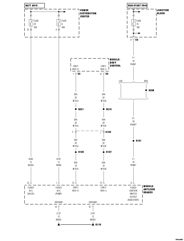
For a complete wiring diagram Refer to Section 8W.



Possible Causes
 
(A107) (A200) FUSED B(+) CIRCUIT OPEN OR SHORTED
 
(Z107) (Z127) GROUND CIRCUIT OPEN
 
(F1) FUSED IGNITION SWITCH OUTPUT CIRCUIT OPEN OR SHORTED
 
(D65) CAN C BUS (+) CIRCUIT OPEN
 
(D64) CAN C BUS (-) CIRCUIT OPEN
 
ANTILOCK BRAKE MODULE
 




Diagnostic Test

1.TEST FOR INTERMITTENT CONDITION


NOTE: Ensure the IOD fuse is installed and battery voltage is between 10.0 and 16.0 volts.



NOTE: A red X will be next to the module that is not communicating, indicating that the module is not active on the Bus network. A green check indicates that the module is active on the Bus network.



Does the scan tool display a red X next to the module?

Yes
  • Go To 2


No
  • The no response condition is not present at this time. Using the wiring diagram/schematic as a guide, inspect the wiring for chafed, pierced, pinched, and partially broken wires and the wiring harness connectors for broken, bent, pushed out, and corroded terminals.

2.(A107) (A200) FUSED B(+) CIRCUIT OPEN OR SHORTED







Does the test light illuminate brightly for each circuit?

Yes
  • Go To 3


No
  • Repair the (A107) or (A200) Fused B(+) circuit for an open or short.
  • Perform ABS VERIFICATION TEST - VER 1.

3.(Z107) (Z127) GROUND CIRCUIT OPEN





Does the test light illuminate brightly for each circuit?

Yes
  • Go To 4


No
  • Repair the (Z107) or (Z127) ground circuit for an open.
  • Perform ABS VERIFICATION TEST - VER 1.

4.(F1) FUSED IGNITION SWITCH OUTPUT CIRCUIT OPEN OR SHORTED






Does the test light illuminate brightly?

Yes
  • Go To 5


No
  • Repair the (F1) Fused Ignition Switch Output circuit for an open or short.
  • Perform ABS VERIFICATION TEST - VER 1.

5.(D65) CAN C BUS (+) CIRCUIT OPEN







Is resistance below 5.0 ohms?

Yes
  • Go To 6


No
  • Repair the (D65) CAN C Bus (+) circuit for an open.
  • Perform ABS VERIFICATION TEST - VER 1.

6.(D64) CAN C BUS (-) CIRCUIT OPEN





Is resistance below 5.0 ohms?

Yes
  • Replace the Antilock Brake Module in accordance with the service information.
  • Perform ABS VERIFICATION TEST - VER 1.


No
  • Repair the (D64) CAN C Bus (-) circuit for an open.
  • Perform ABS VERIFICATION TEST - VER 1.