P0711-TRANSMISSION TEMPERATURE SENSOR PERFORMANCE





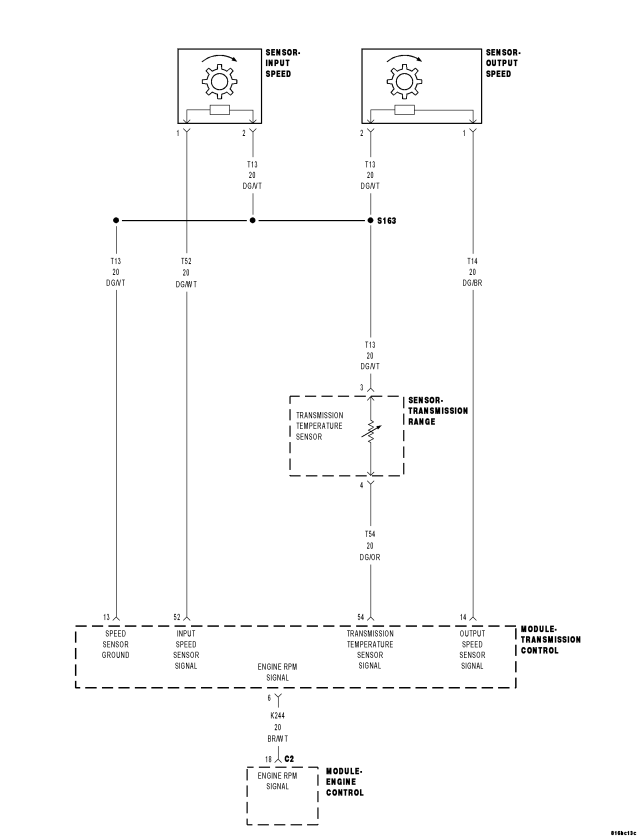
For a complete wiring diagram Refer to Section 8W.

Theory of Operation


The Transmission Temperature Sensor is a variable resistor that changes with temperature, or otherwise known as a thermister. The temperature of the transmission fluid can affect a variety of electronically controlled transmission operations such as shift quality, torque converter lock-up, and when and/or if certain OBDII or system self-diagnostic test are performed. The Transmission Control Module (TCM) substitutes a calculated transmission temperature value if a fault is detected in the Transmission Temperature Sensor circuit.


  • When Monitored:

    Continuously with the ignition on and engine running.

  • Set Condition:

    This DTC will set when the desired transmission temperature does not reach a normal operating temperature within a given time frame. Time is variable due to ambient temperature. Approximate times are starting temperature to warm up time: (-40° F / -40° C - 35 min) (-20° F / -28° C - 25 min) (20° F / -6.6° C - 20 min) (60° F / 15.5 ° C - 10 min)


Possible Causes
 
RELATED DTC'S PRESENT
 
TRANSMISSION TEMPERATURE SENSOR
 
TRANSMISSION CONTROL MODULE
 


Always perform the 45RFE/545RFE Pre-Diagnostic Troubleshooting procedure before proceeding. (Refer to 21 - TRANSMISSION/TRANSAXLE/AUTOMATIC - 45RFE/545RFE - STANDARD PROCEDURE)



Diagnostic Test

1.DETERMINE IF RELATED DTC'S ARE PRESENT



Are there any other related Transmission Temperature Sensor DTCs present?

Yes
  • Refer to the Transmission category and perform the appropriate symptom.


No
  • Go To 2

2.CHECK TO SEE IF DTC IS CURRENT


NOTE: This counter only applies to the last DTC set.



Is the STARTS SINCE SET counter 2 or less?

Yes
  • Go To 3


No
  • Go To 4

3.TRANSMISSION TEMPERATURE SENSOR



CAUTION: Removal of the Starter Relay will prevent the vehicle from being started in gear.


WARNING: The Starter Relay must be removed from the PDC. Failure to do so can result in personal injury or death.


NOTE: Failure to remove the Starter Relay can cause a Transmission - No Response condition.








Do the readings on the scan tool match the Transmission Simulator readings ± 0.2 volts?

Yes


No
  • Using the schematics as a guide, check the Transmission Control Module (TCM) terminals for corrosion, damage, or terminal push out. Pay particular attention to all power and ground circuits. If no problems are found, replace the TCM per the Service Information. With the scan tool, perform QUICK LEARN.
  • Perform 45RFE/545RFE TRANSMISSION VERIFICATION TEST - VER 1. (Refer to 21 - TRANSMISSION/TRANSAXLE/AUTOMATIC - 45RFE/545RFE - STANDARD PROCEDURE)

4.INTERMITTENT WIRING AND CONNECTORS






Were there any problems found?

Yes


No
  • Test Complete.