P0883-TCM POWER INPUT HIGH





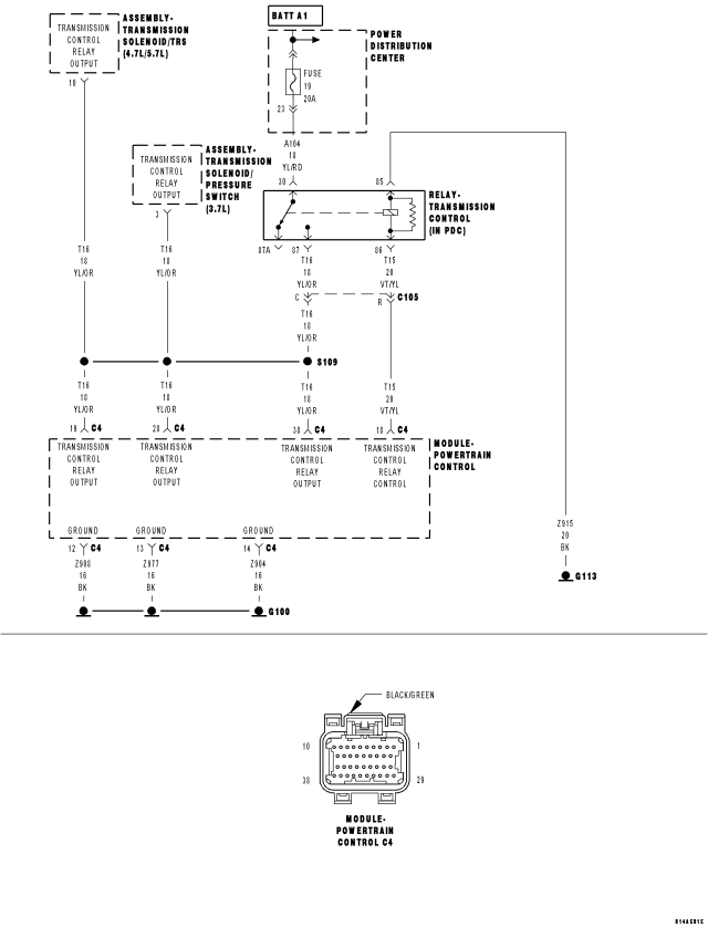
For a complete wiring diagram Refer to Section 8W.

Theory of Operation


The transmission relay is used to supply power to the solenoid pack when in normal operating mode and to turn off power to produce transmission "limp-in" mode. The relay output (which supplies power to the solenoid pack) is fed back to the controller This is referred to as SWITCHED BATTERY. After a controller reset (ignition key turned to the RUN position or after cranking engine), the controller verifies that the relay contacts are open by checking for no voltage on Switched battery line (relay output) before the relay is energized. Transmission locked in Limp-In. MIL on after 10 seconds of vehicle operation.


  • When Monitored:

    After a reset (ignition key turned to the RUN position) and after a power down.

  • Set Condition:

    Relay output (Switched Battery) is higher than 3 volts when relay is not energized by the controller. Fault Set Time: Less than 100 msec


Possible Causes
 
TRANSMISSION CONTROL RELAY STUCK CLOSED
 
(T15) TRANSMISSION CONTROL RELAY CONTROL CIRCUIT SHORT TO VOLTAGE
 
(T16) TRANSMISSION CONTROL RELAY OUTPUT CIRCUITS SHORT TO VOLTAGE
 
POWERTRAIN CONTROL MODULE
 


Always perform the 42RLE Pre-Diagnostic Troubleshooting procedure before proceeding. (Refer to 21 - TRANSMISSION/TRANSAXLE/AUTOMATIC - 42RLE - STANDARD PROCEDURE)



Diagnostic Test

1.CHECK TO SEE IF DTC P0883 IS CURRENT



Is the status Active for this DTC or is the STARTS SINCE SET counter equal to 0?

Yes
  • Go To 2


No
  • Go To 5

2.TRANSMISSION CONTROL RELAY CONTACTS STUCK CLOSED



NOTE: Check connectors - Clean/repair as necessary.




Is the resistance above 5.0 ohms?

Yes
  • Go To 3


No

3.(T16) TRANSMISSION RELAY OUTPUT CIRCUIT SHORT TO VOLTAGE






Is the voltage above 0.5 volts?

Yes


No
  • Go To 4

4.(T15) TRANSMISSION CONTROL RELAY CONTROL CIRCUIT SHORT TO VOLTAGE



NOTE: The Transmission Controller will power up the Transmission Control Relay Control circuit for approximately 3.0 seconds after initial ignition on. Wait at least 3.0 seconds after turning the ignition to the on position before performing the following voltage check.


NOTE: P0882 Relay Always Off may set. Disregard this DTC.




Is the voltage above 0.5 volts?

Yes


No
  • Using the schematics as a guide, check the Powertrain Control Module (PCM) terminals for corrosion, damage, or terminal push out. Pay particular attention to all power and ground circuits. If no problems are found, replace the PCM per the Service Information. With the scan tool, perform QUICK LEARN
  • Perform 42RLE TRANSMISSION VERIFICATION TEST - VER 1. (Refer to 21 - TRANSMISSION/TRANSAXLE/AUTOMATIC - 42RLE - STANDARD PROCEDURE)

5.INTERMITTENT WIRING AND CONNECTORS






Were there any problems found?

Yes


No
  • Test Complete.