U0002–CAN C BUS OFF PERFORMANCE





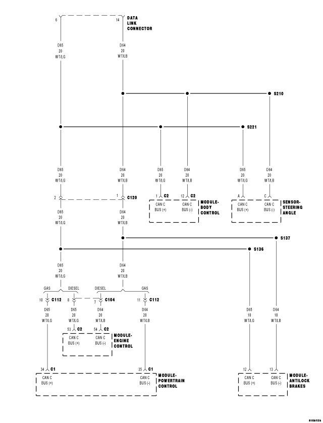
For a complete wiring diagram Refer to Section 8W.


  • When Monitored:

    With the ignition on.

  • Set Condition:

    A module detects a short in either CAN C Bus circuit.


Perform the CAN C Bus Communication Failure diagnostic test procedure. (Refer to 8 - ELECTRICAL/ELECTRONIC CONTROL MODULES - DIAGNOSIS AND TESTING).