*ALL PASSENGER DOORS FAIL TO LOCK AND UNLOCK





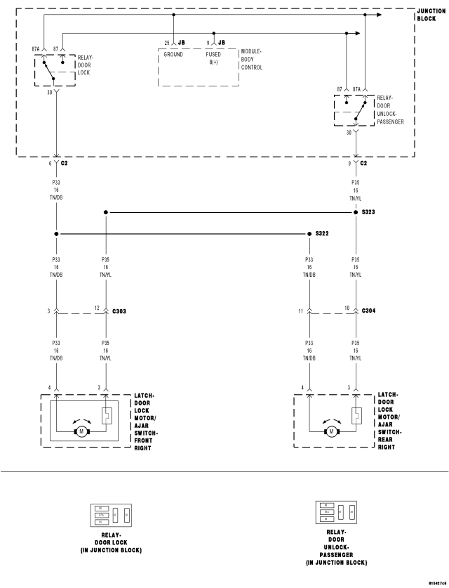
For a complete wiring diagram Refer to Section 8W.



Possible Causes
 
(P35) DOOR UNLOCK RELAY OUTPUT CIRCUIT OPEN
 
DOOR UNLOCK RELAY
 




Diagnostic Test

1.DTC'S PRESENT



Are there any Power Door Lock related codes present?

Yes


No
  • Go To2

2.CHECK (P35) DOOR UNLOCK RELAY OUTPUT CIRCUIT OPEN









Does the test light illuminate brightly when the relay is actuated?

Yes


No