REMOVAL

NOTE: If the evic module is being replaced, the tire pressure monitoring system must be programmed. Refer to the tires/wheels section of this manual for detailed instructions.
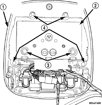
(Refer to 8 - ELECTRICAL/OVERHEAD CONSOLE - REMOVAL)

NOTE: If the evic module is being replaced, the tire pressure monitoring system must be programmed. Refer to the tires/wheels section of this manual for detailed instructions.