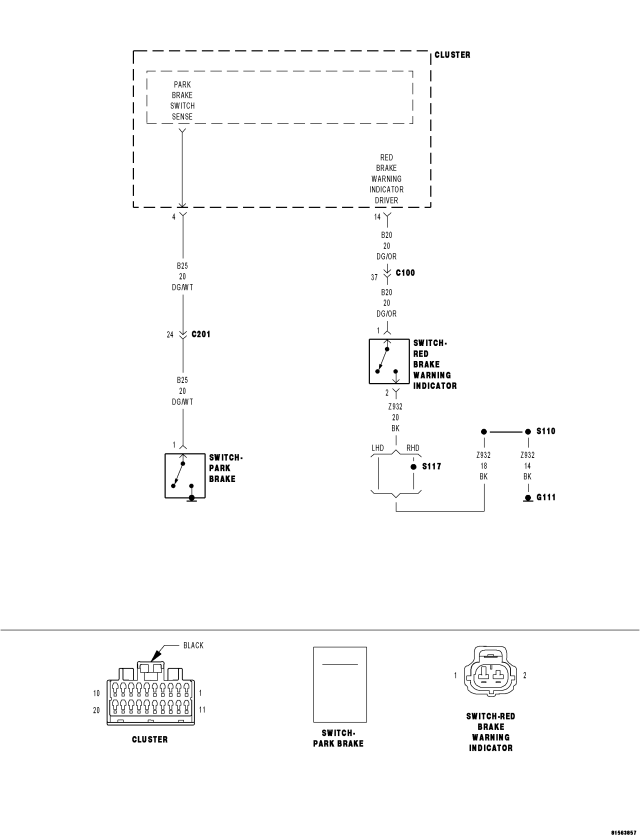
*BRAKE INDICATOR ALWAYS ON





For a complete wiring diagram Refer to Section 8W.



Possible Causes
 
BRAKE FLUID LEVEL SWITCH CIRCUIT DTC PRESENT
 
BRAKE FLUID LEVEL SWITCH
 
(B20) RED BRAKE WARNING INDICATOR DRIVER CIRCUIT SHORT TO GROUND
 
PARK BRAKE SWITCH
 
(B25) PARK BRAKE SWITCH SENSE CIRCUIT SHORT TO GROUND
 
INSTRUMENT CLUSTER
 




Diagnostic Test

1.

NOTE: Ensure that the Brake Fluid Level is properly filled and the Brake Fluid Level Switch harness connector is properly connected.






Does the scan tool display: BRAKE FLUID LEVEL SWITCH CIRCUIT OPEN?

Yes
  • Refer to symptom list for problems related to "BRAKE FLUID LEVEL SWITCH CIRCUIT OPEN".


No
  • Go To2

2.







Is the resistance below 900 ohms?

Yes


No
  • Go To3

3.








Is the resistance below 5.0 ohms?

Yes


No
  • Go To4

4.

NOTE: Ensure that the Brake Fluid Level Switch and Instrument Cluster harness connectors are properly connected.





Does the scan tool display: Open?

Yes


No
  • Go To5

5.








Is the resistance below 5.0 ohms?

Yes


No