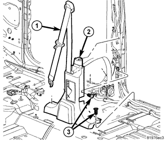
REMOVAL

(Refer to 23 - BODY/INTERIOR/B-PILLAR TRIM - REMOVAL)

NOTE: Front door check strap shown, rear doors are similar.

NOTE: Full front door shown, all others similar.


NOTE: Front door check strap shown, rear doors are similar.

NOTE: Full front door shown, all others similar.