SIDE - TWO-DOOR
WARNING: To avoid personal injury or death, on vehicles equipped with airbags, disable the supplemental restraint system before attempting any steering wheel, steering column, airbag, occupant classification system, seat belt tensioner, impact sensor, or instrument panel component diagnosis or service. Disconnect and isolate the battery negative (ground) cable, then wait two minutes for the system capacitor to discharge before performing further diagnosis or service. This is the only sure way to disable the supplemental restraint system. Failure to take the proper precautions could result in accidental airbag deployment.
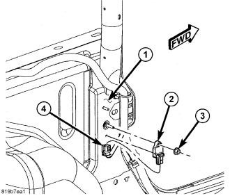
WARNING: To avoid personal injury or death, never strike or drop the side impact sensor, as it can damage the impact sensor or affect its calibration. The side impact sensor enables the system to deploy the seat airbag supplemental restraints. If an impact sensor is accidentally dropped during service, the sensor must be scrapped and replaced with a new unit. Failure to observe this warning could result in accidental, incomplete, or improper front supplemental restraint deployment.
NOTE: The front and side impact sensors are interchangeable.

(Refer to 23 - BODY/INTERIOR/B-PILLAR LOWER TRIM - INSTALLATION)
(Refer to 8 - ELECTRICAL/RESTRAINTS - STANDARD PROCEDURE - VERIFICATION TEST)